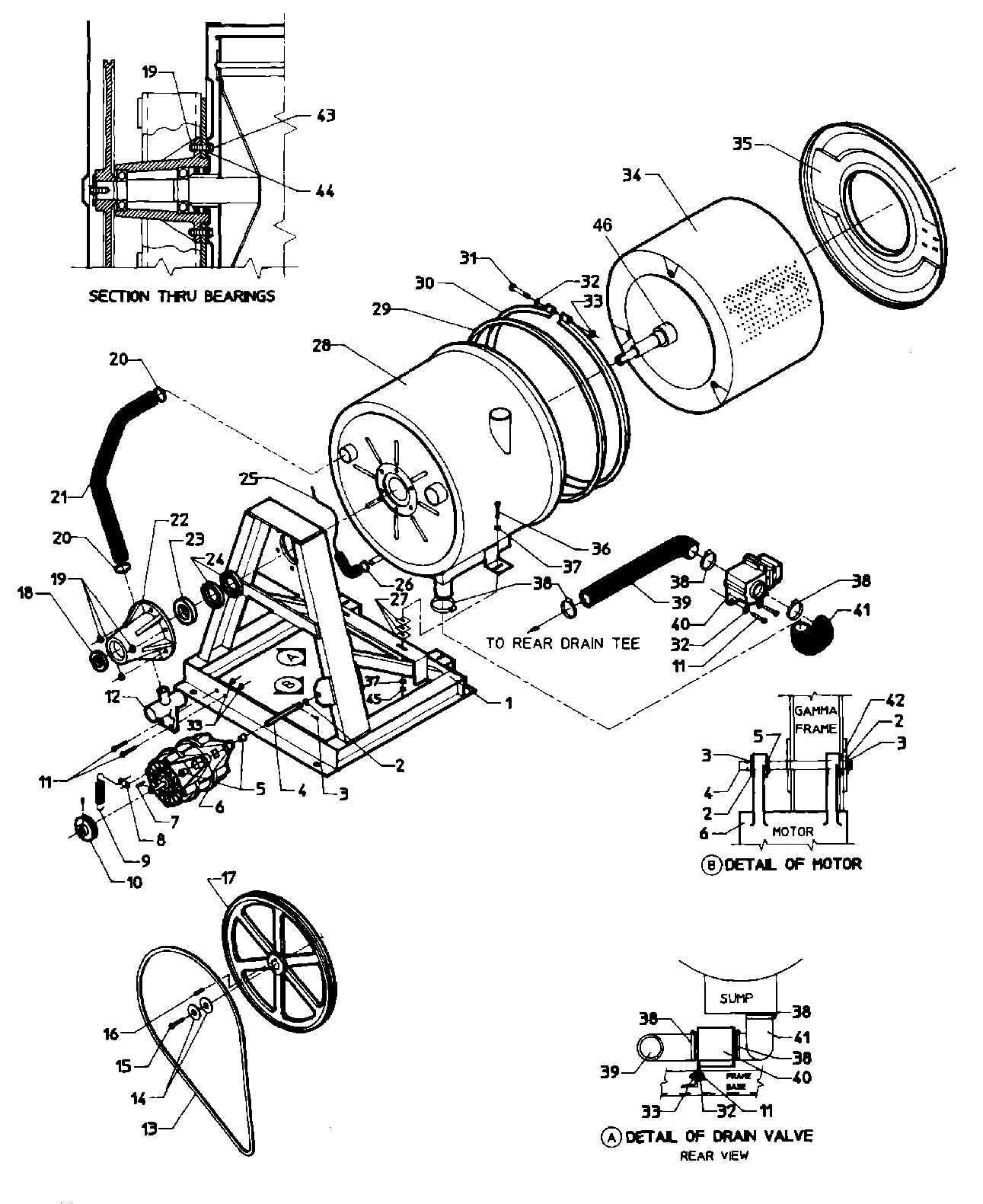
MAF35MN1 06 – MAIN EXPLODED VIEW-SUB ASSEMBLY