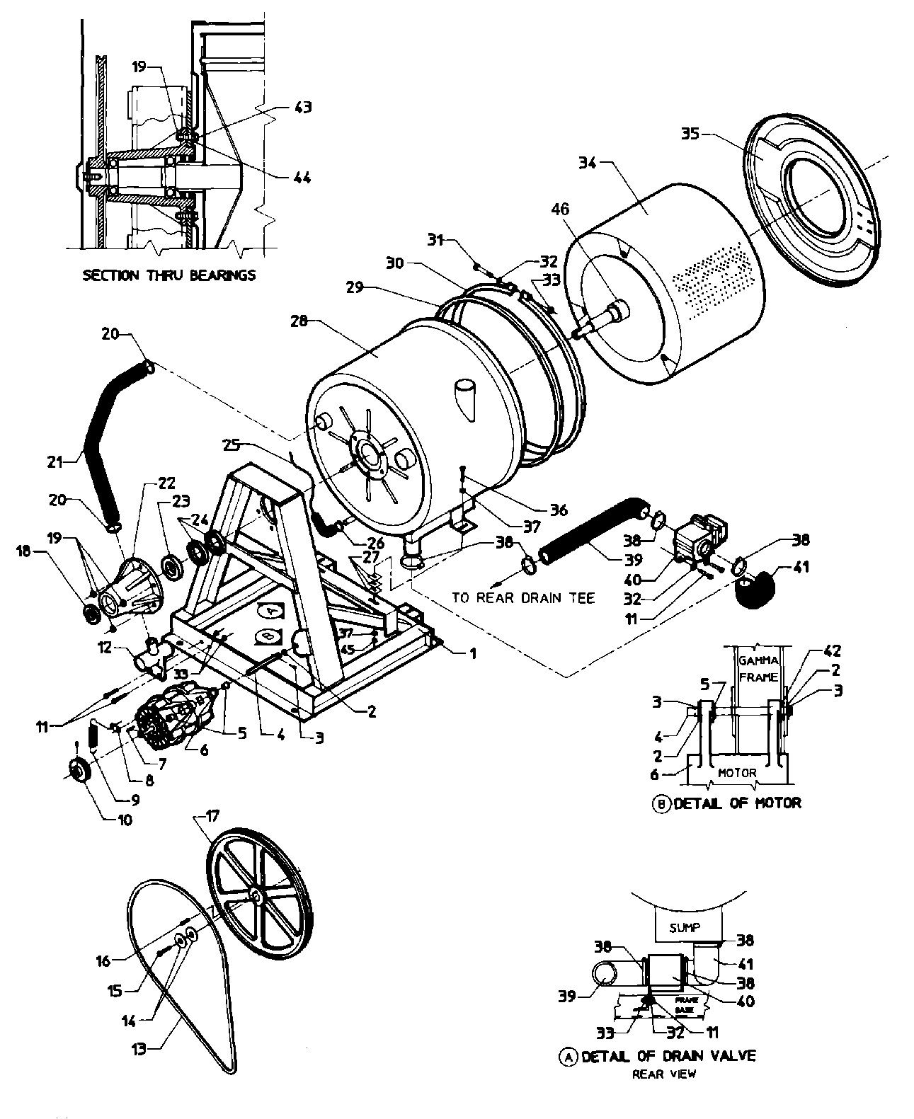
MAF35PN2 09 – MAIN EXPLODED VIEW – SUB ASSEMBLY