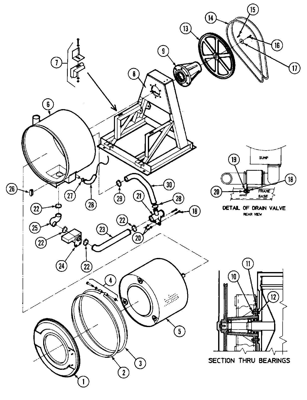
MAF35PNA 06 – FRAME & TUB ASSEMBLY
Products
| Position | Product |
|---|---|
| 001 | MAY 24001385 |
| 002 | MAY 24001560 |
| 006 | MAY 24001562 |
| 007 | MAY 24001492 |
| 009 | MAY 24001262 |
| 010 | MAY 24001563 |
| 011 | MAY 24001496 |
| 012 | MAY 24001497 |
| 013 | MAY 24001089 |
| 014 | MAY 24001095 |
| 015 | MAY 24001499 |
| 016 | MAY Y24001500 |
| 017 | MAY 24001501 |
| 018 | MAY 24001502 |
| 019 | MAY 24001304 |
| 020 | MAY 24001305 |
| 021 | MAY 24001188 |
| 022 | MAY 24001353 |
| 023 | MAY 24001564 |
| 024 | MAY 24001116 |
| 025 | MAY 24001565 |
| 026 | MAY 24001504 |
| 027 | MAY 24001438 |
| 028 | MAY 24001189 |
| 029 | MAY 24001283 |
| 030 | MAY 24001506 |
| 031 | MAY 24001507 |
| 031 | DOWEL PIN FOR HANDLE |