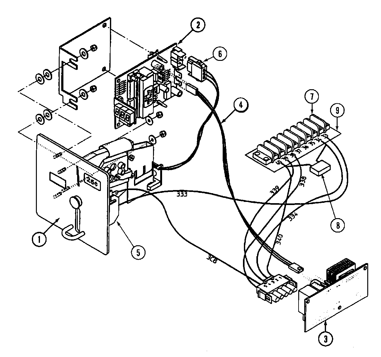
MAF50MC4VL 01 – COIN METER (MC4)