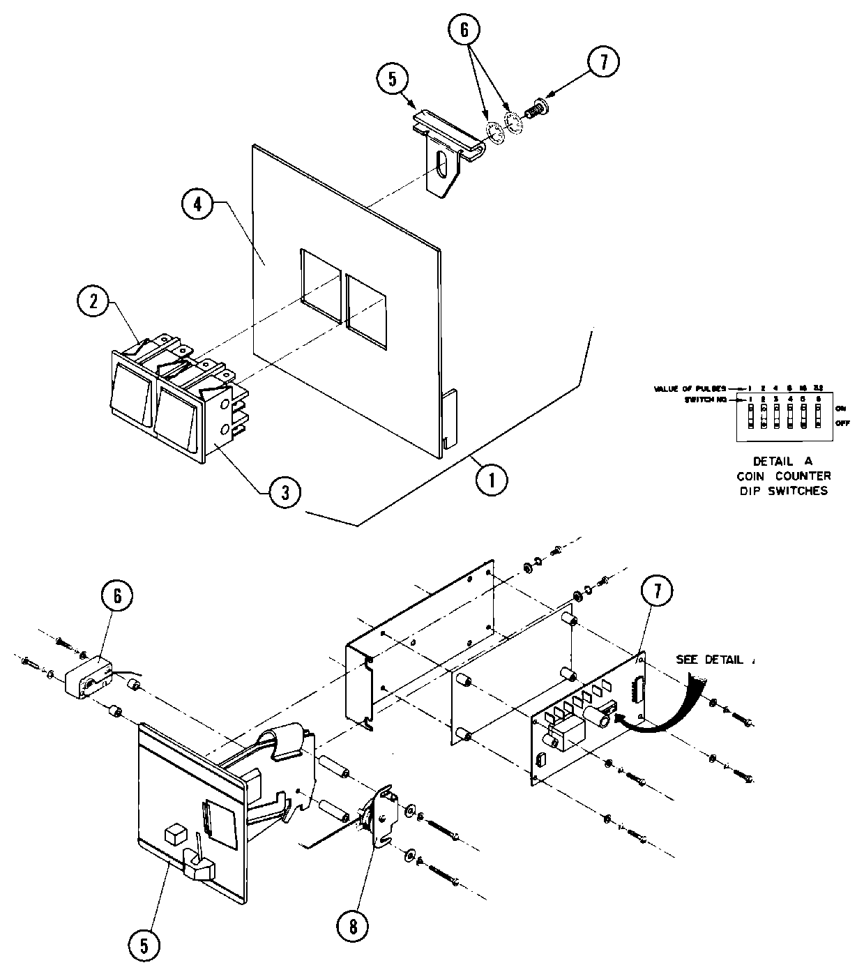
MAF50MN2 10 – COIN METER/MANUAL CONTROL (MC2/MN2)admin2025-04-26T13:12:52+00:00MAF50MN2 10 – COIN METER/MANUAL CONTROL (MC2/MN2) ProductsPositionProduct001MAY 24001764002MAY 24001251003MAY 24001252007NOT REQUIRED PART OR SEE NOTE FUSE (NOT REQUIRED)008COIN METER (110V/50-60HZ)008COIN METER (110V/50-60HZ)008MAY 24001615009DOWEL PIN FOR HANDLE010MAY 24001617011COIN BLOCKING SOLENOID (110V)011SOLENOID, COIN BLOCKING