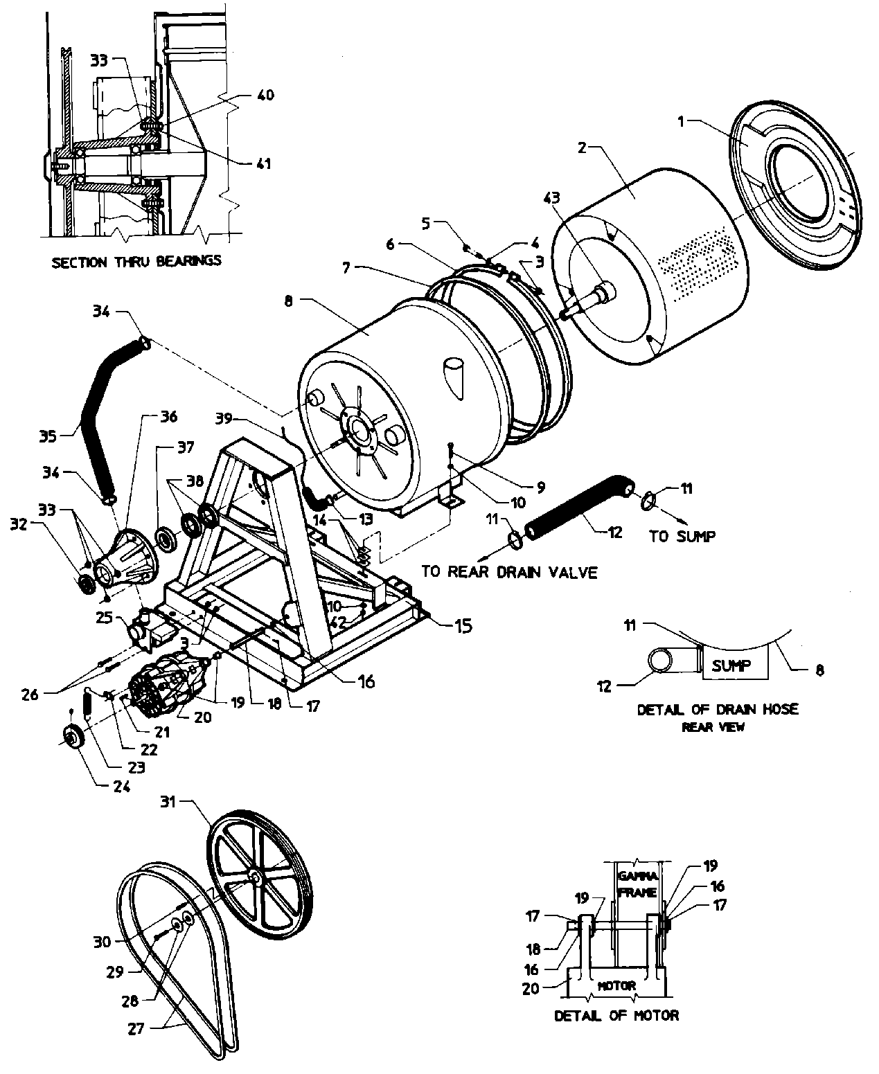
MAF50PC2 09 – MAIN EXPLODED VIEW – SUB ASSEMBLY