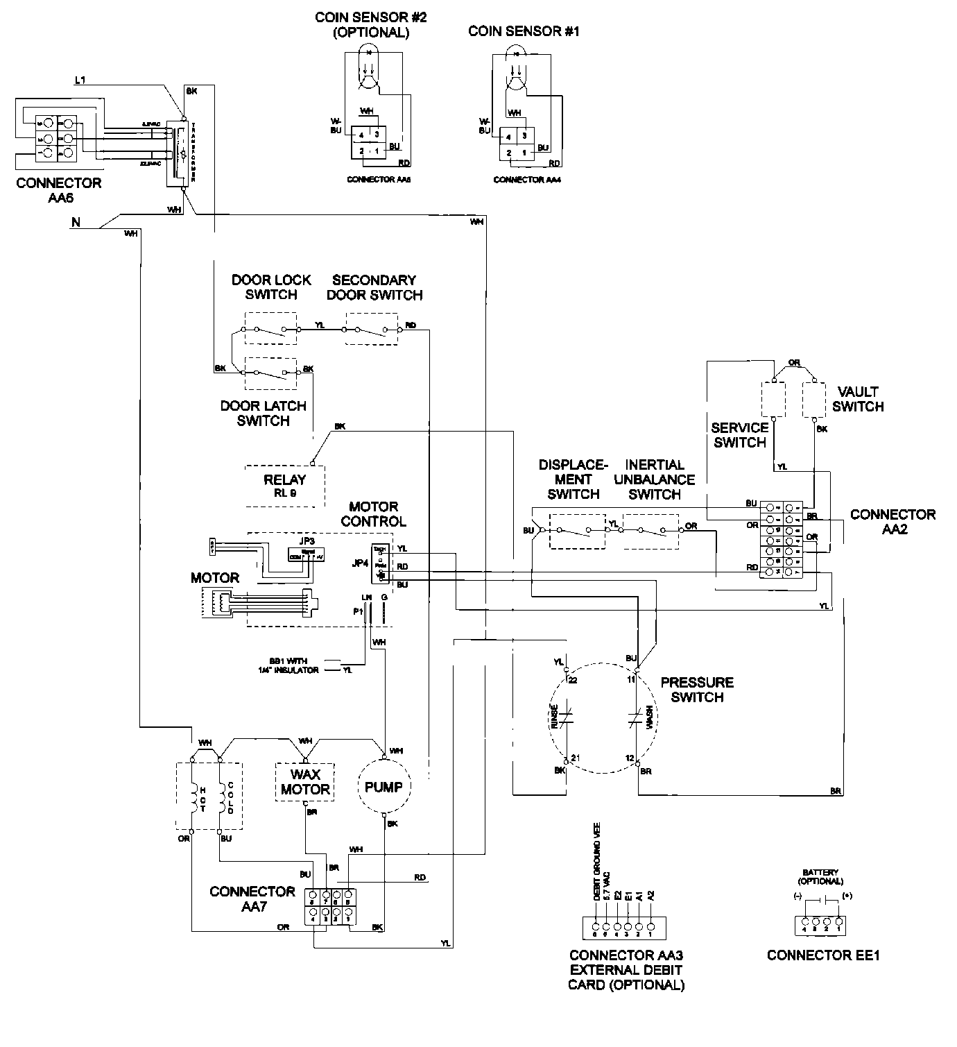
MAH14PDAAQ 11 – WIRING INFORMATIONadmin2025-04-26T13:12:50+00:00MAH14PDAAQ 11 – WIRING INFORMATION ProductsPositionProduct001DOWEL PIN FOR HANDLE