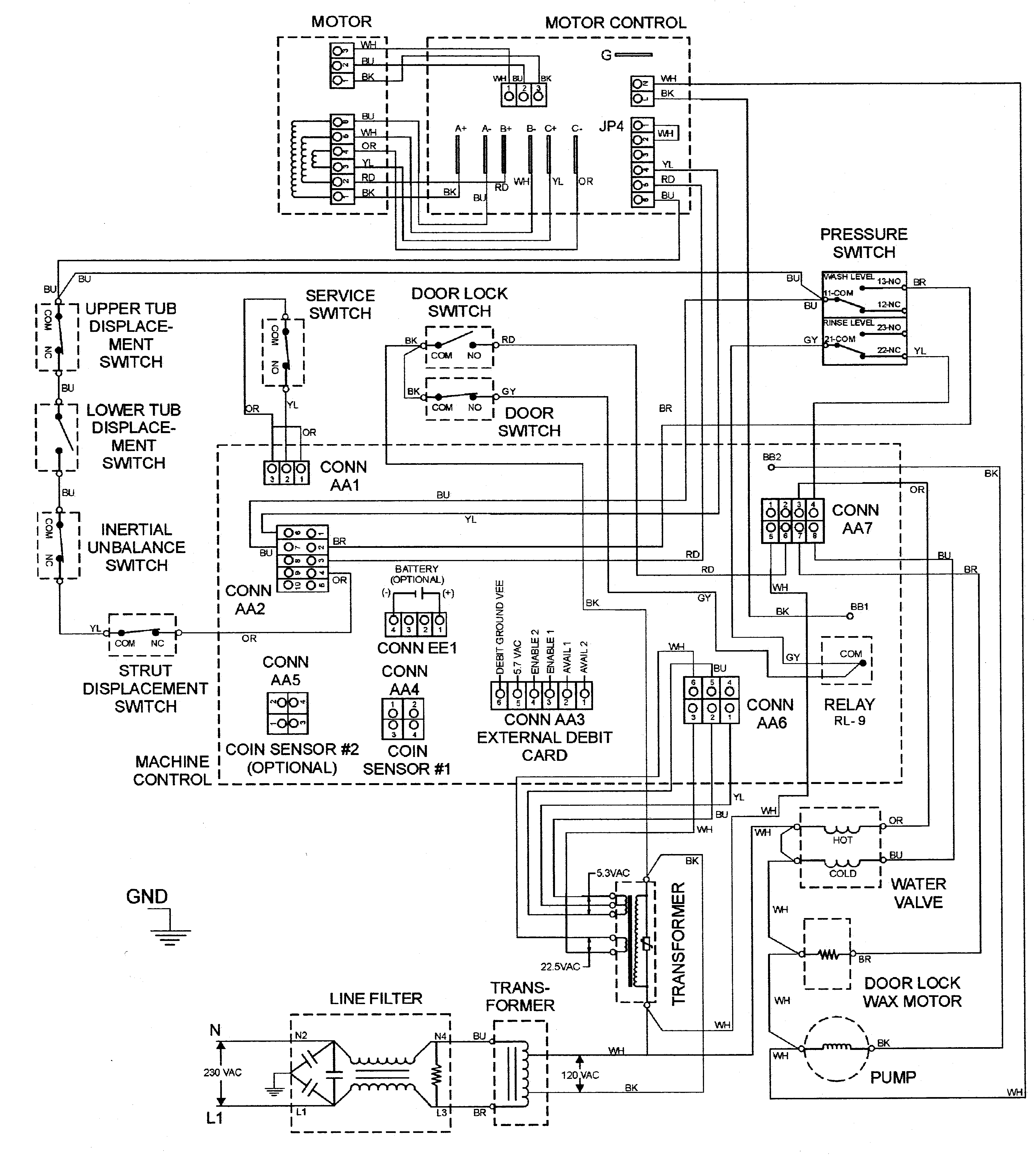
MAH14PDAGW 11 – WIRING INFORMATIONadmin2025-04-26T13:11:26+00:00MAH14PDAGW 11 – WIRING INFORMATION ProductsPositionProduct001DOWEL PIN FOR HANDLE