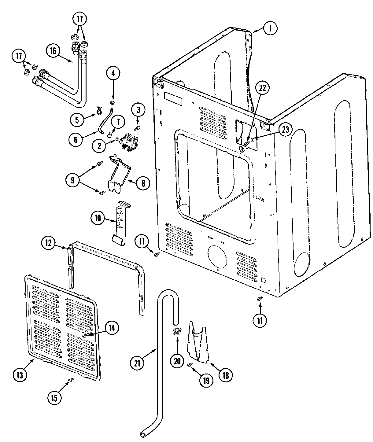
MAH14PDCBQ 06 – CABINET-REARadmin2025-04-26T13:11:45+00:00MAH14PDCBQ 06 – CABINET-REAR ProductsPositionProduct002MAY 22002101003MAY Y313561005WP74007164 Whirlpool Purse Lock006MAY 22001987007WP596669 Whirlpool Hose Clamp008MAY 22002089010MAY 22002076012MAY 22002022013MAY 22002092014WP67006908 Whirlpool Refrigerator Screw015WP489128 Whirlpool Refrigerator Screw016202860 Whirlpool Inlet Hose 5 FT017MAY Y013783018MAY 22002093018MAY 22002704019W11573574 Whirlpool Screw020WP285655 Whirlpool Hose Clamp021MAY 2200289302112001807 Whirlpool Primary Drain Hose Replacement Kit021WP22002892 Whirlpool Retainer023DOWEL PIN FOR HANDLE