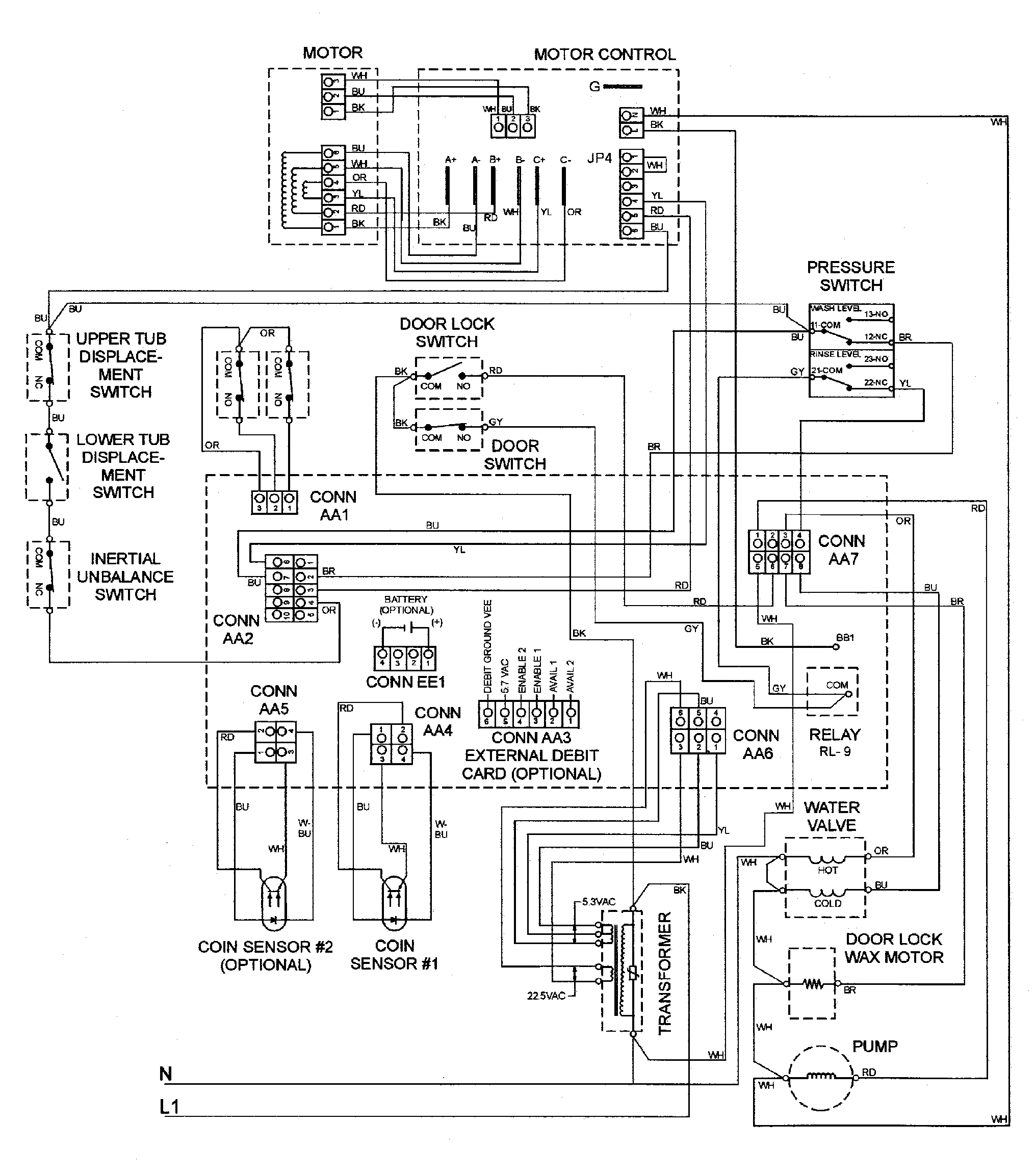
MAH14PDCBW 12 – WIRING INFORMATIONadmin2025-04-26T13:12:02+00:00MAH14PDCBW 12 – WIRING INFORMATION ProductsPositionProduct001DOWEL PIN FOR HANDLE