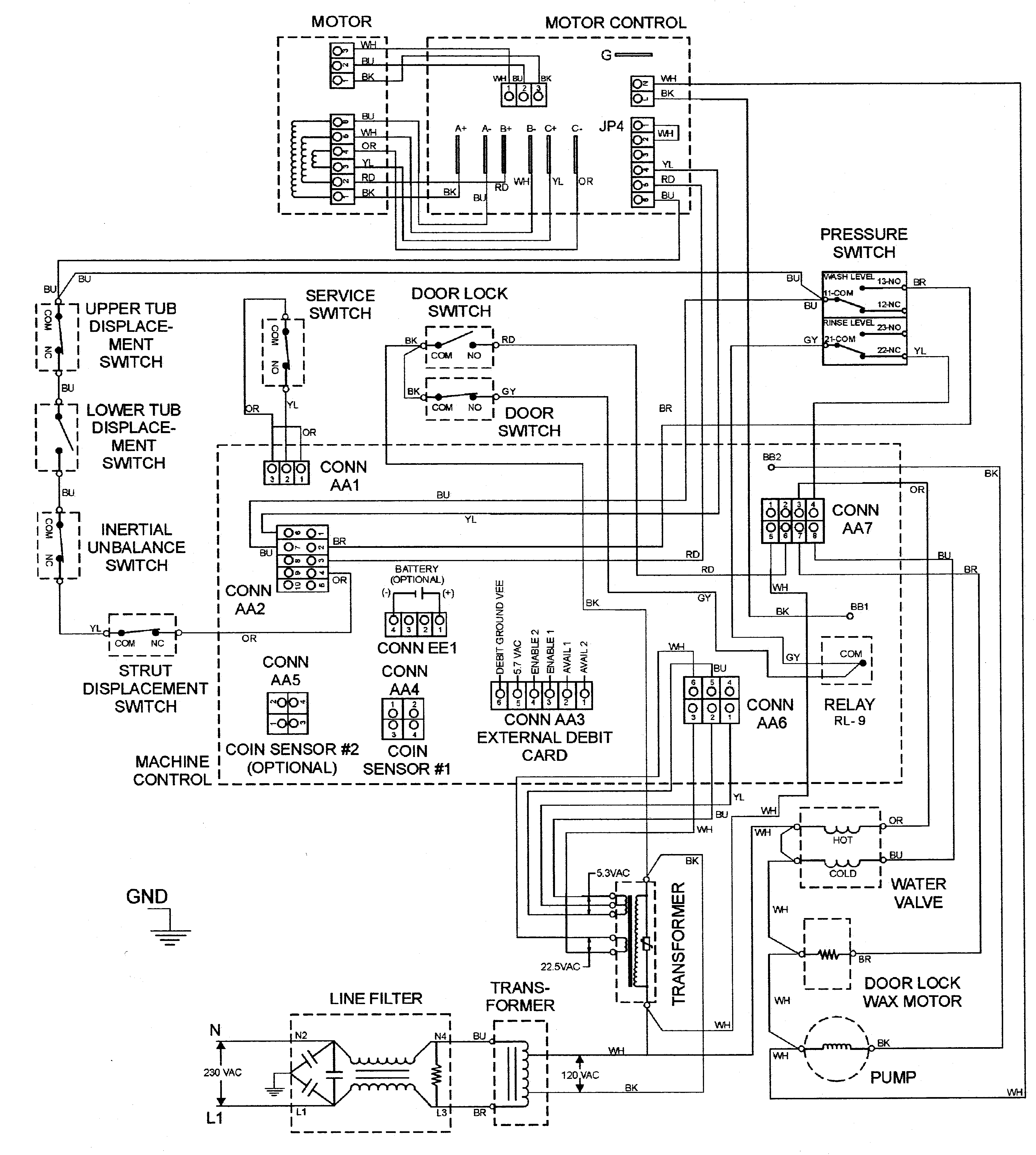
MAH14PDSAW 11 – WIRING INFORMATIONadmin2025-04-26T13:11:27+00:00MAH14PDSAW 11 – WIRING INFORMATION ProductsPositionProduct001DOWEL PIN FOR HANDLE