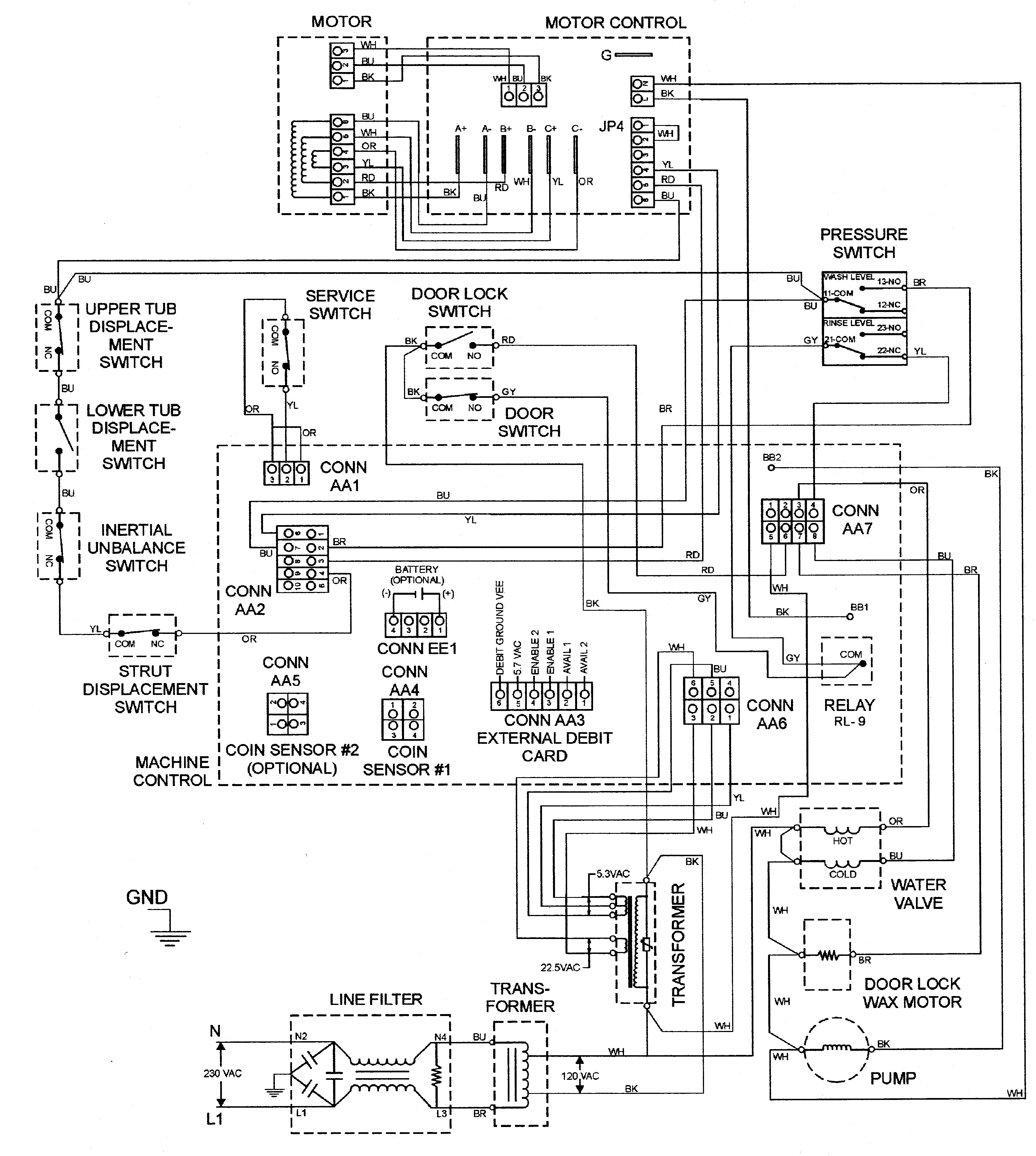
MAH14PNAEW 10 – WIRING INFORMATIONadmin2025-04-26T13:11:20+00:00MAH14PNAEW 10 – WIRING INFORMATION ProductsPositionProduct001DOWEL PIN FOR HANDLE