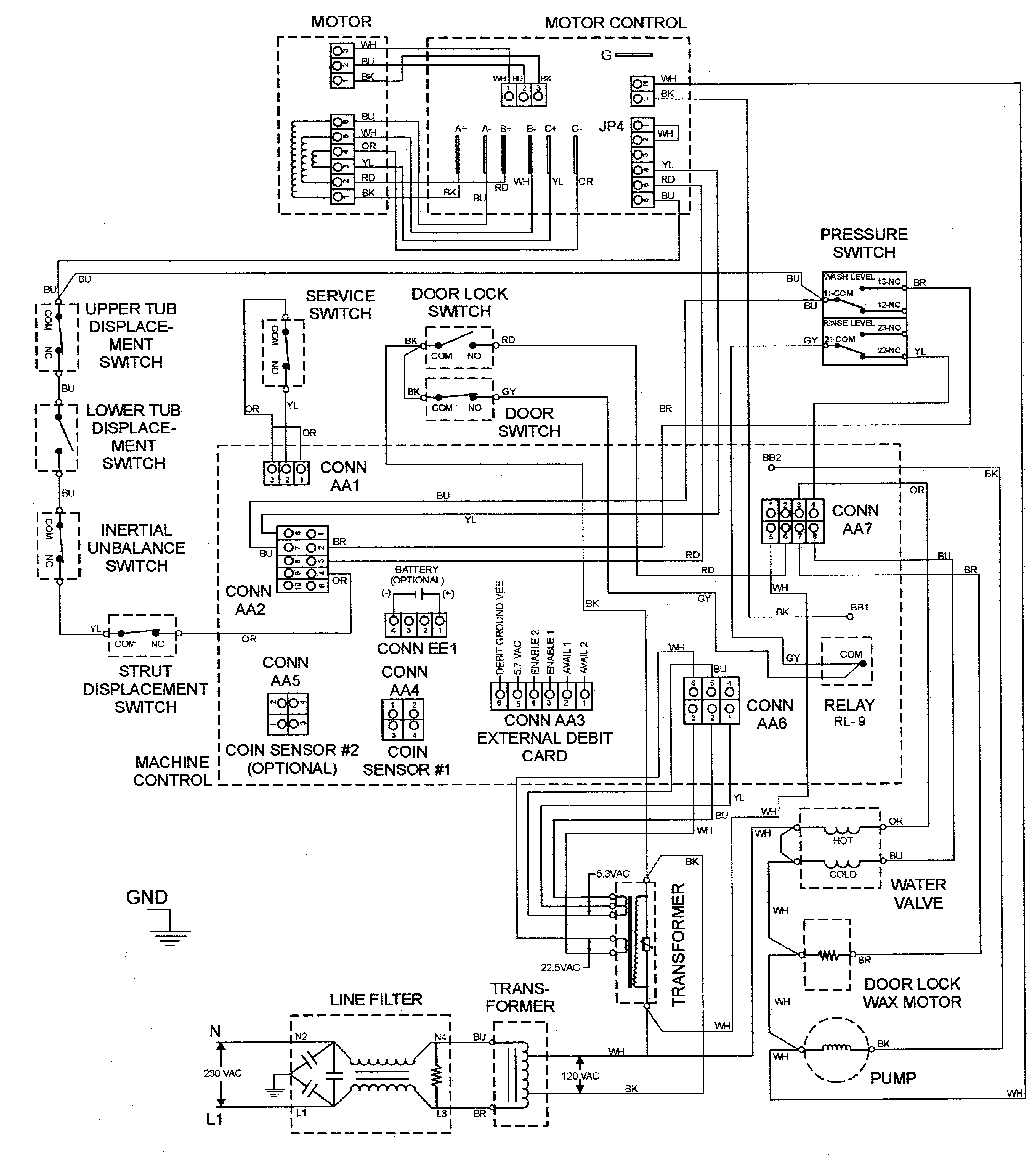
MAH14PNAGW 10 – WIRING INFORMATIONadmin2025-04-26T13:12:37+00:00MAH14PNAGW 10 – WIRING INFORMATION ProductsPositionProduct001DOWEL PIN FOR HANDLE