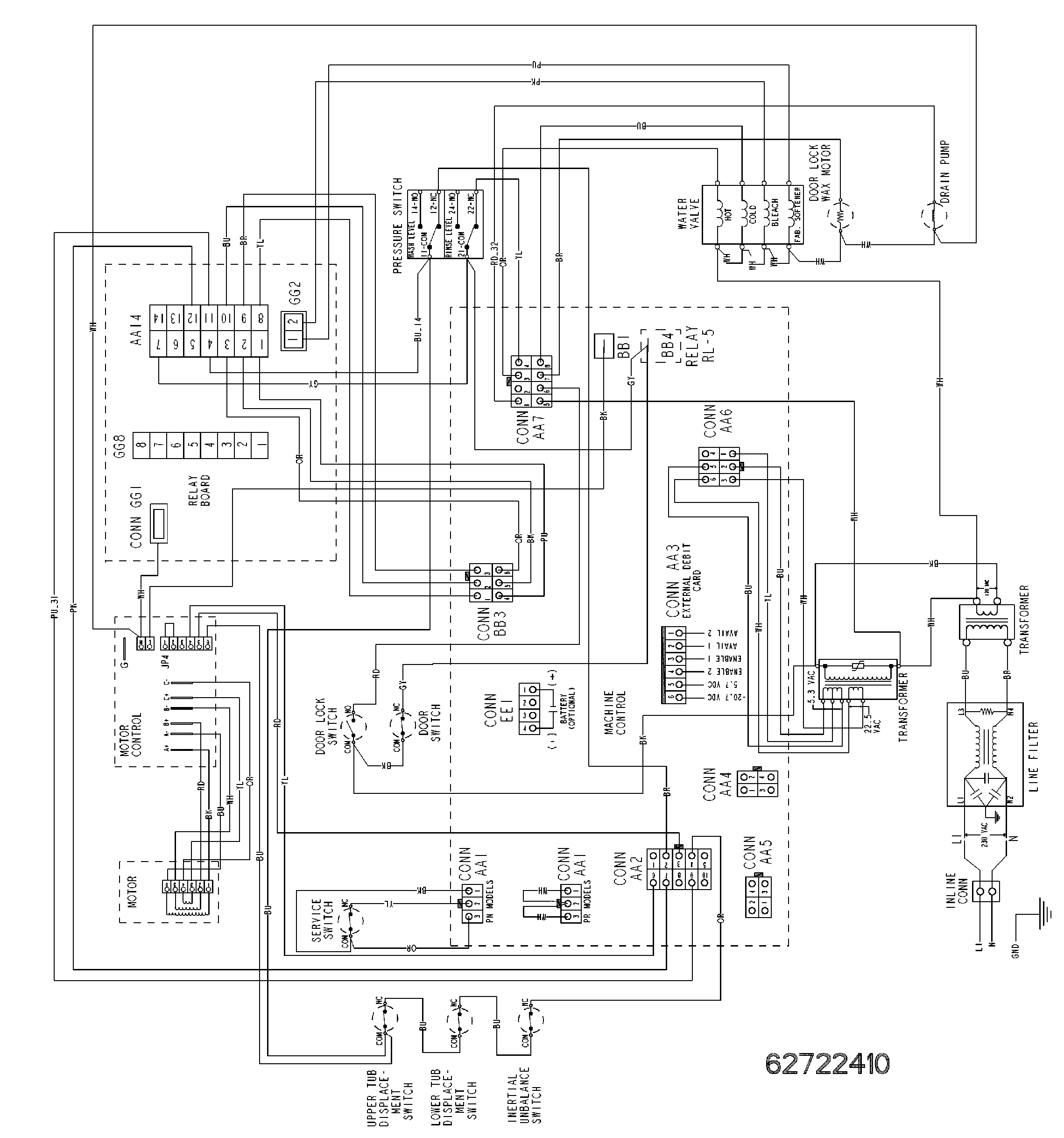
MAH14PNBAW 09 – WIRING INFORMATIONadmin2025-04-26T13:11:22+00:00MAH14PNBAW 09 – WIRING INFORMATION ProductsPositionProduct001DOWEL PIN FOR HANDLE