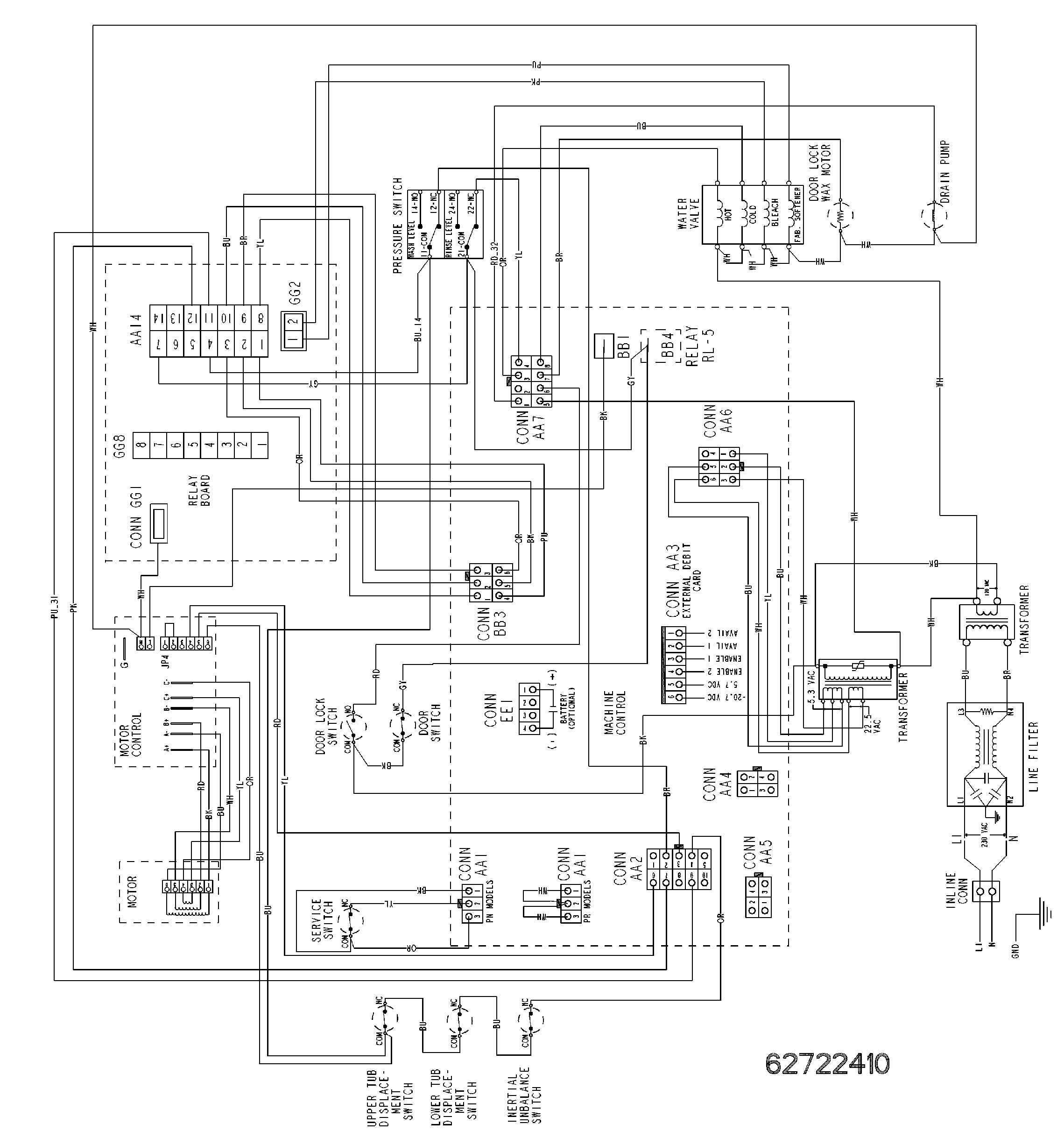
MAH14PNBEW 09 – WIRING INFORMATIONadmin2025-04-26T13:12:24+00:00MAH14PNBEW 09 – WIRING INFORMATION ProductsPositionProduct001DOWEL PIN FOR HANDLE