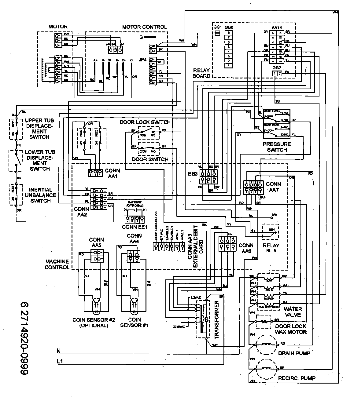
MAH20PDAWQ 11 – WIRING INFORMATIONadmin2025-04-26T13:10:02+00:00MAH20PDAWQ 11 – WIRING INFORMATION ProductsPositionProduct001DOWEL PIN FOR HANDLE