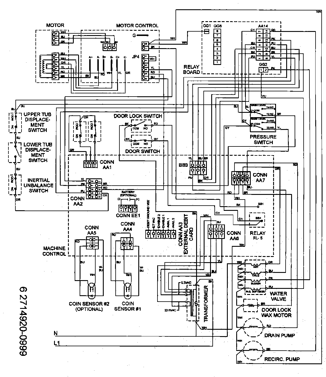
MAH20PDCXW 13 – WIRING INFORMATION

MAH20PDCXW 13 – WIRING INFORMATION

Products

PositionProduct
001DOWEL PIN FOR HANDLE