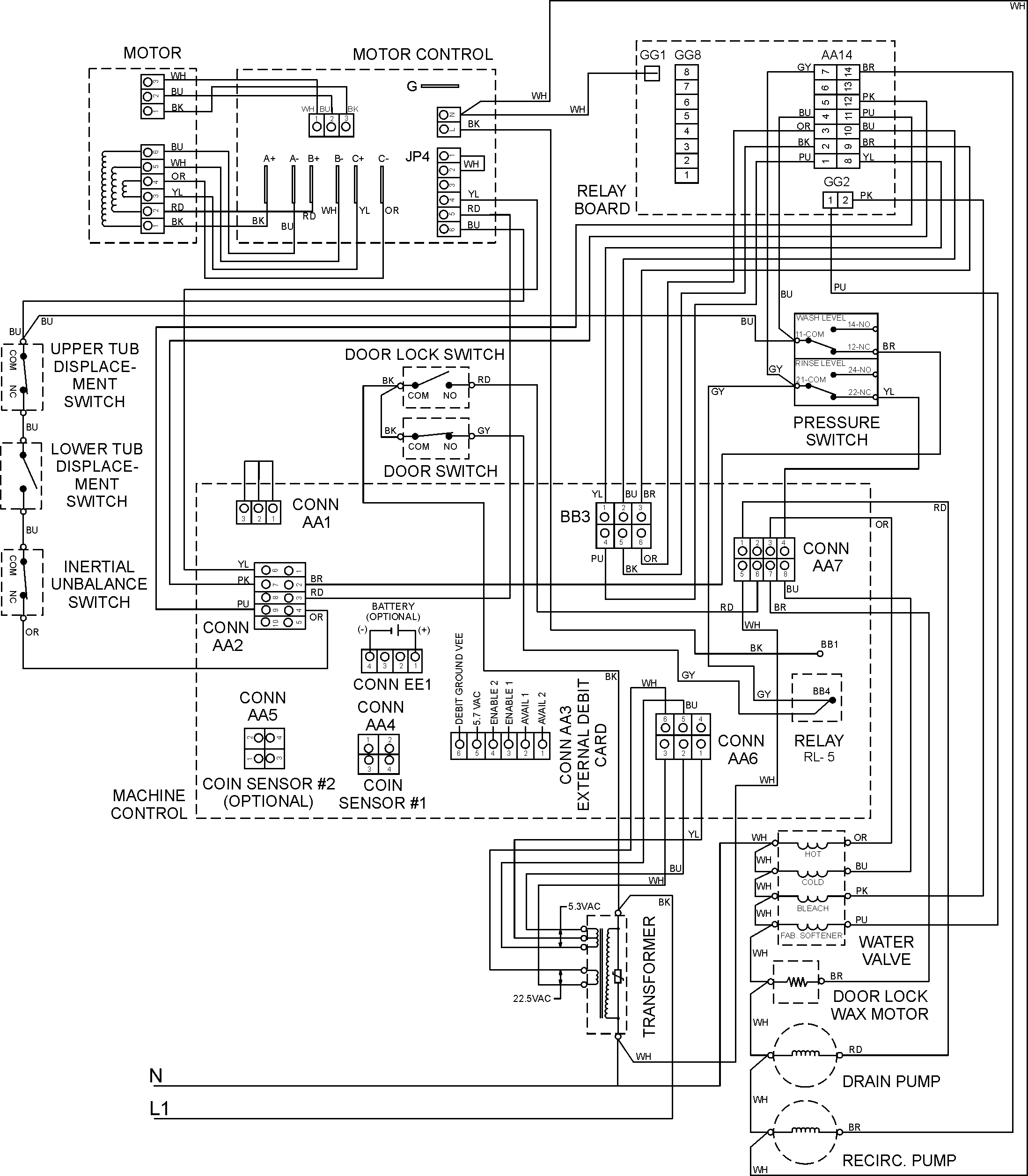
MAH20PRDWW 10 – WIRING INFORMATIONadmin2025-04-26T13:10:40+00:00MAH20PRDWW 10 – WIRING INFORMATION ProductsPositionProduct001DOWEL PIN FOR HANDLE