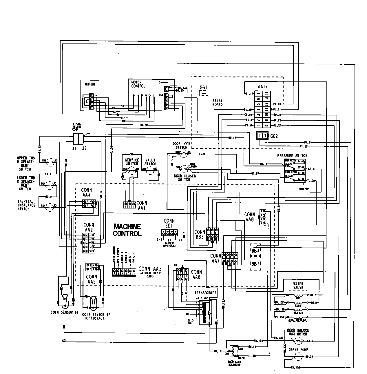
MAH21PDAWQ 10 – WIRING INFORMATION

MAH21PDAWQ 10 – WIRING INFORMATION

Products

PositionProduct
001DOWEL PIN FOR HANDLE