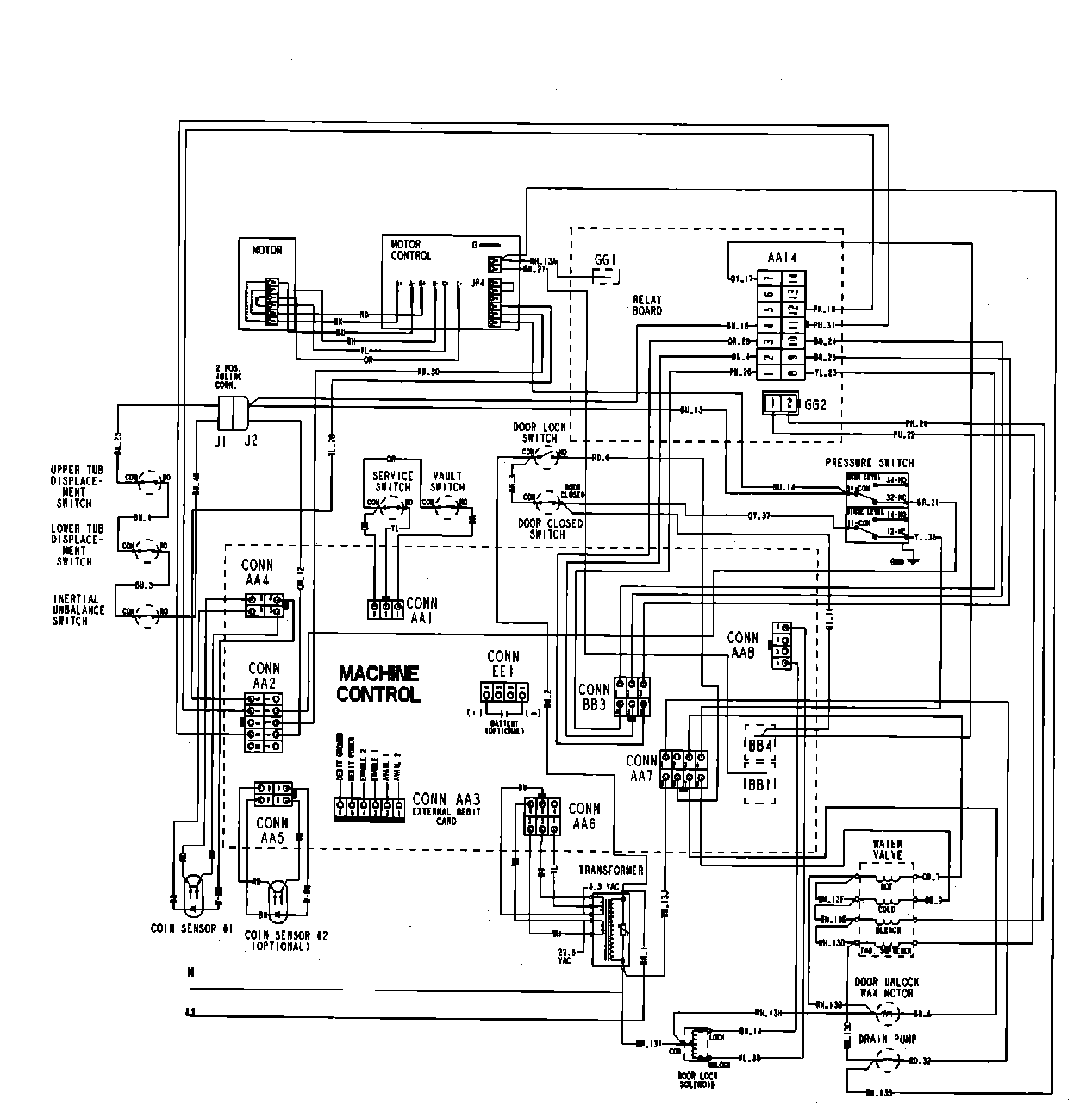
MAH21PDCXQ 10 – WIRING INFORMATIONadmin2025-04-26T13:10:54+00:00MAH21PDCXQ 10 – WIRING INFORMATION ProductsPositionProduct001DOWEL PIN FOR HANDLE