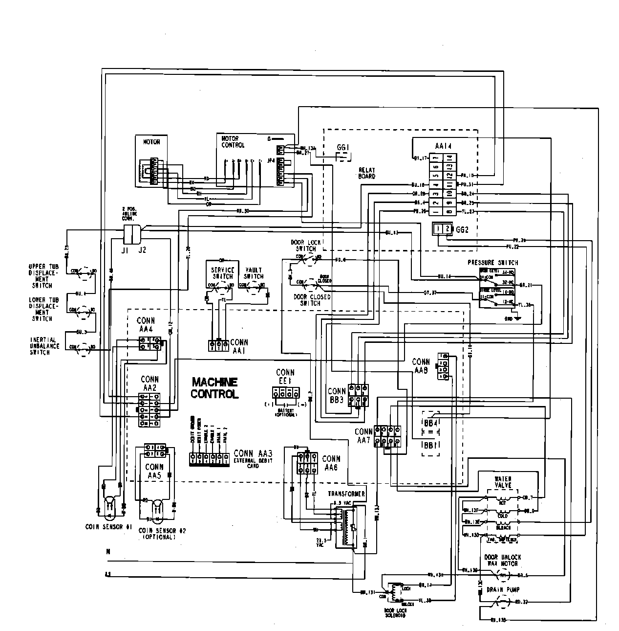
MAH21PDCXW 10 – WIRING INFORMATIONadmin2025-04-26T13:12:49+00:00MAH21PDCXW 10 – WIRING INFORMATION ProductsPositionProduct001DOWEL PIN FOR HANDLE