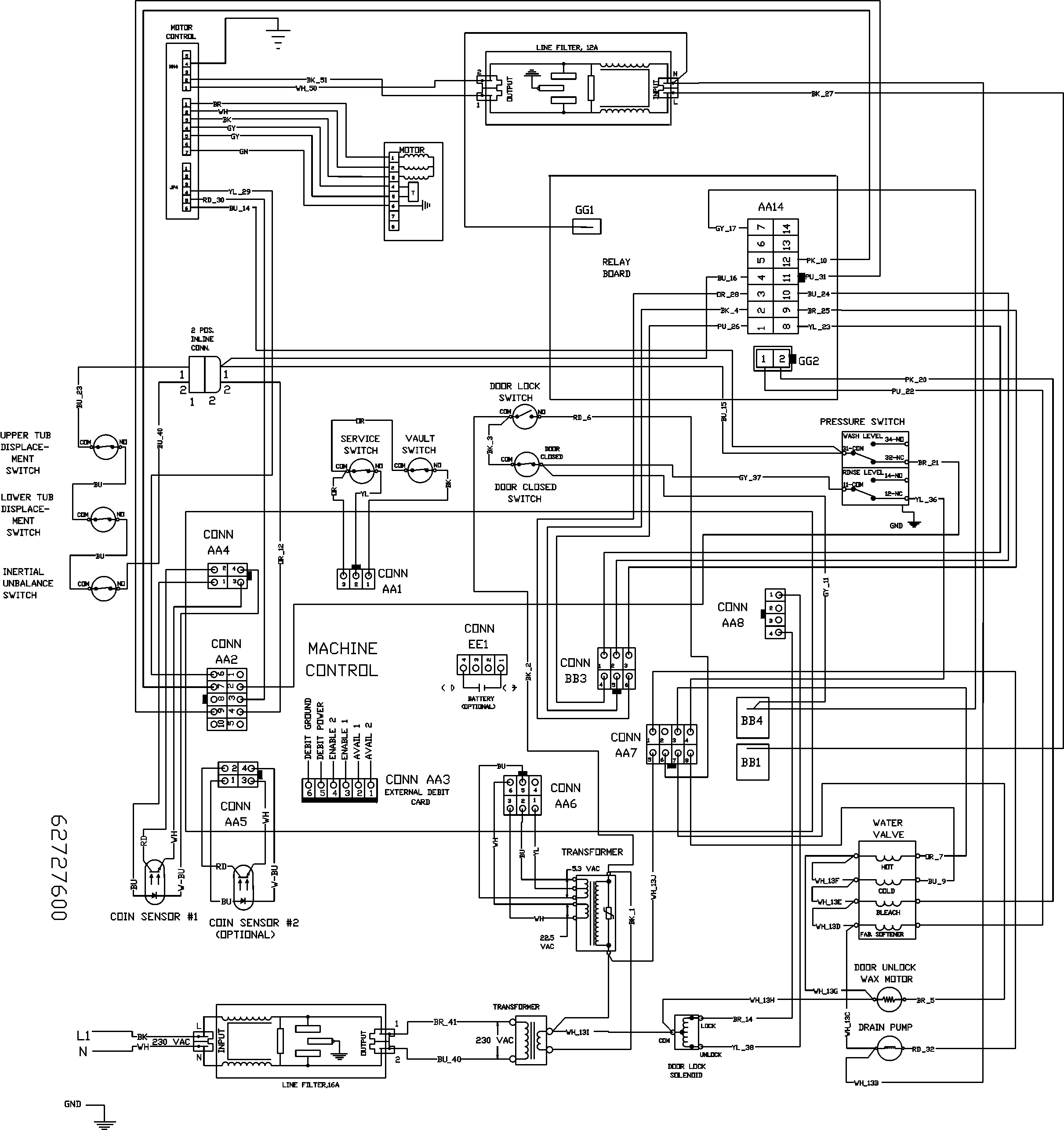
MAH21PDDGW 10 – WIRING INFORMATIONadmin2025-04-26T11:36:20+00:00MAH21PDDGW 10 – WIRING INFORMATION ProductsPositionProduct001DOWEL PIN FOR HANDLE