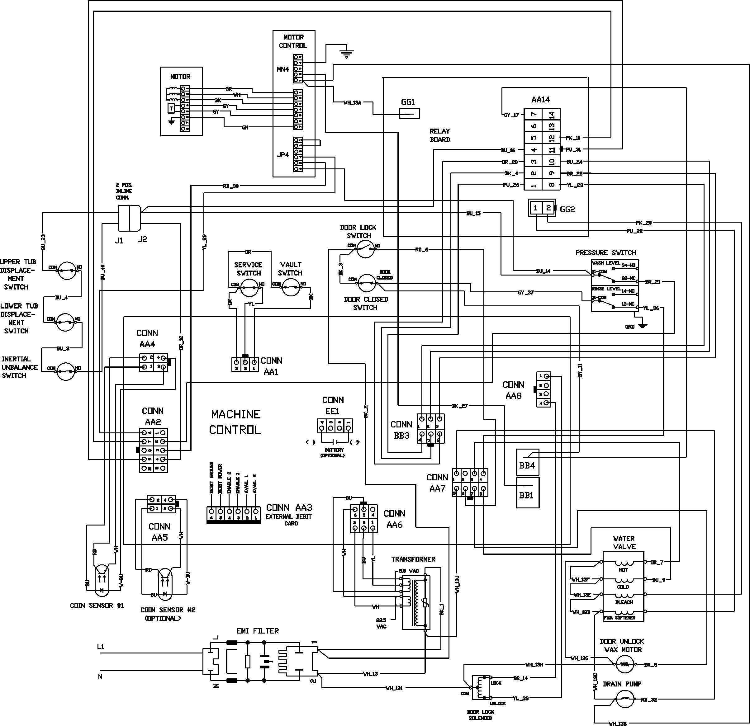
MAH21PDDWQ 10 – WIRING INFORMATIONadmin2025-04-26T11:33:36+00:00MAH21PDDWQ 10 – WIRING INFORMATION ProductsPositionProduct001DOWEL PIN FOR HANDLE