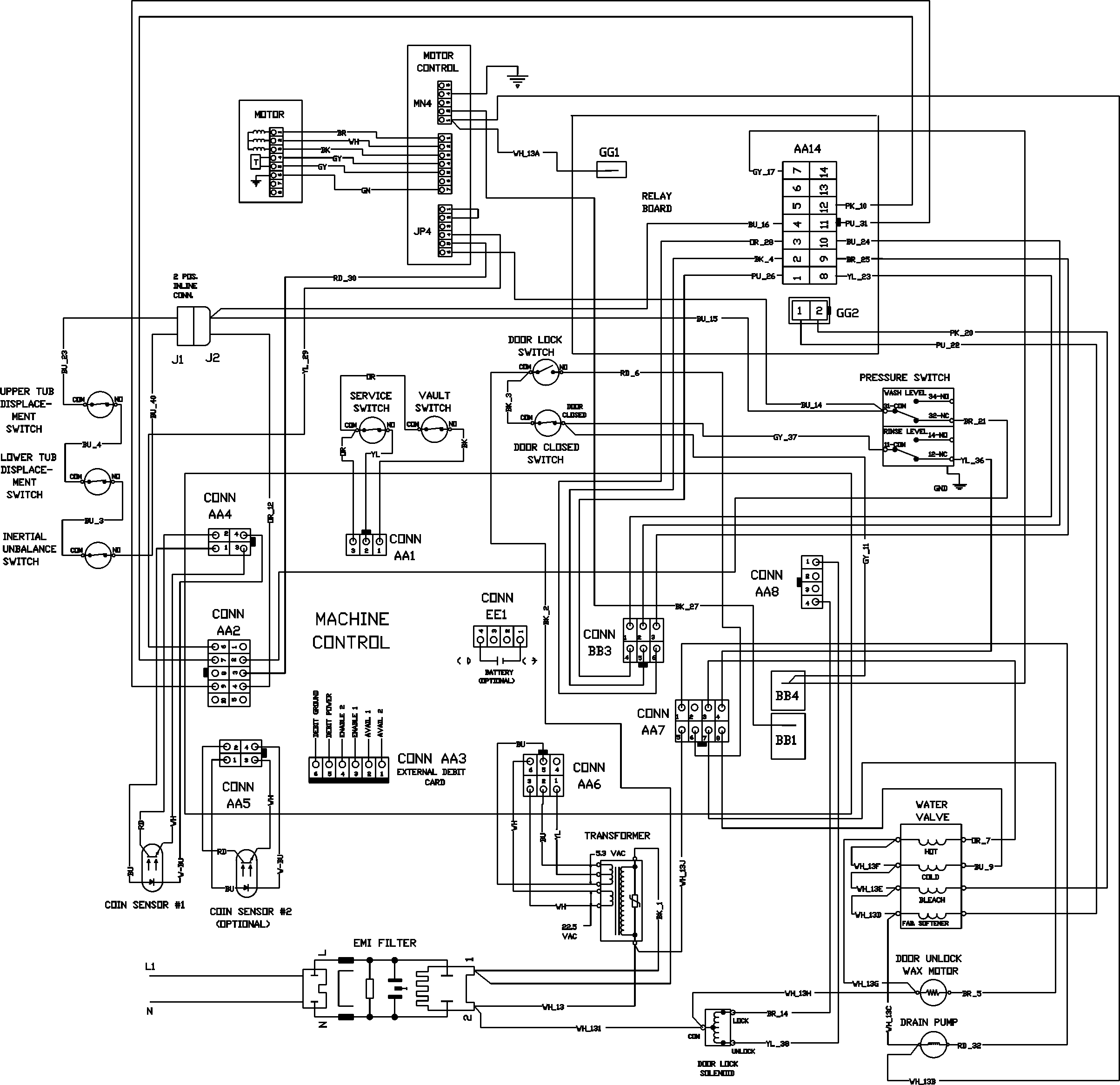
MAH21PDDXW 10 – WIRING INFORMATIONadmin2025-04-26T13:12:56+00:00MAH21PDDXW 10 – WIRING INFORMATION ProductsPositionProduct001DOWEL PIN FOR HANDLE