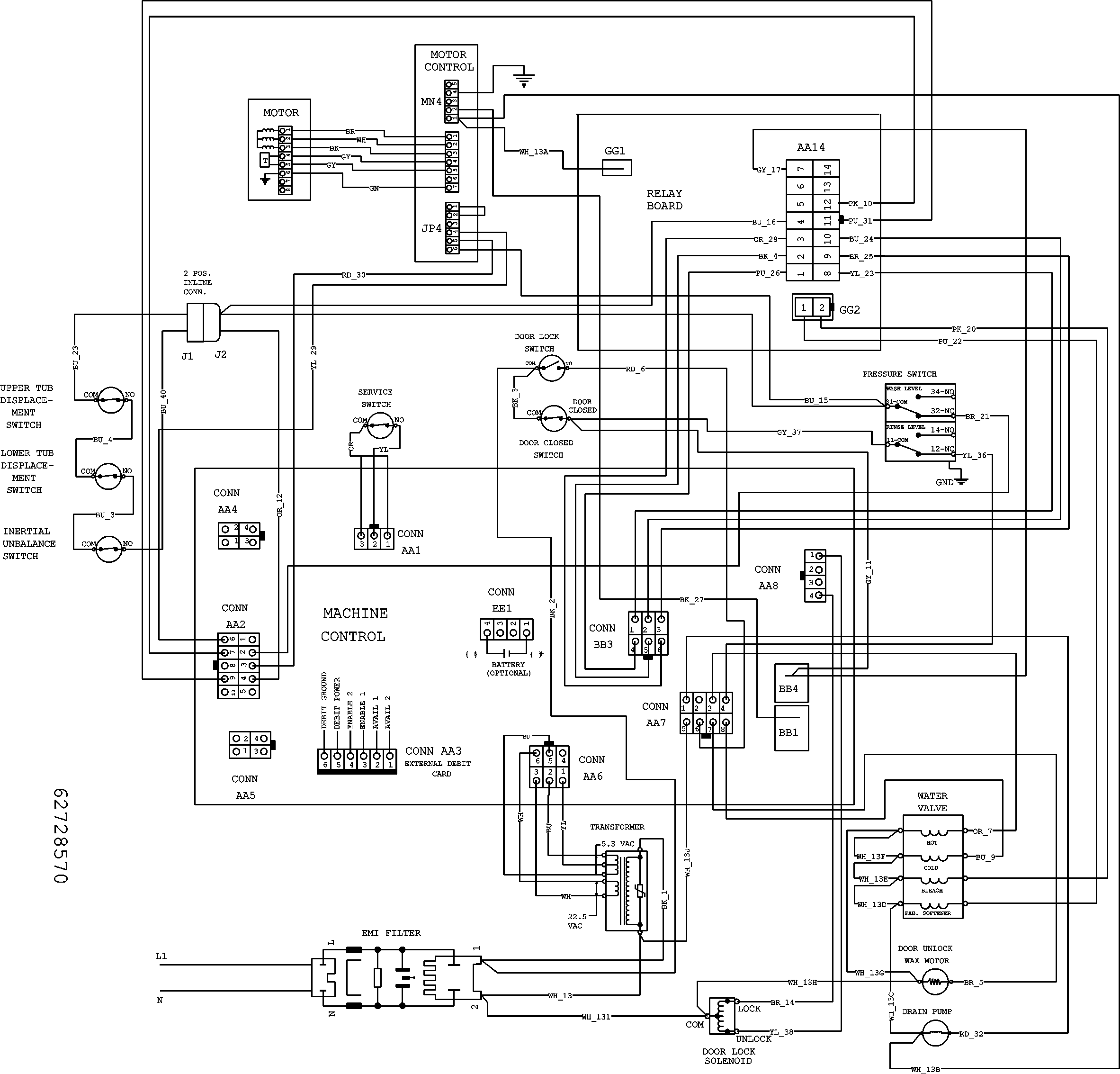
MAH21PNDWW 09 – WIRING INFORMATIONadmin2025-04-26T13:10:15+00:00MAH21PNDWW 09 – WIRING INFORMATION ProductsPositionProduct001DOWEL PIN FOR HANDLE