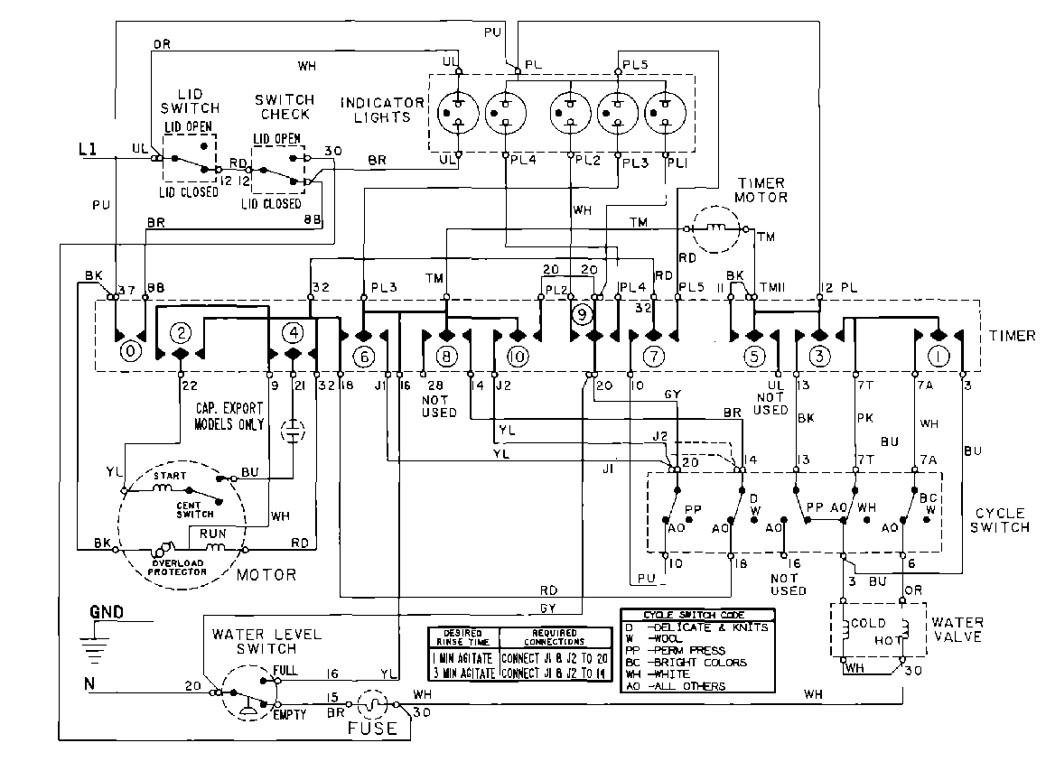
MAT13MNEGW 08 – WIRING INFORMATIONadmin2025-04-26T11:35:50+00:00MAT13MNEGW 08 – WIRING INFORMATION ProductsPositionProduct001DOWEL PIN FOR HANDLE