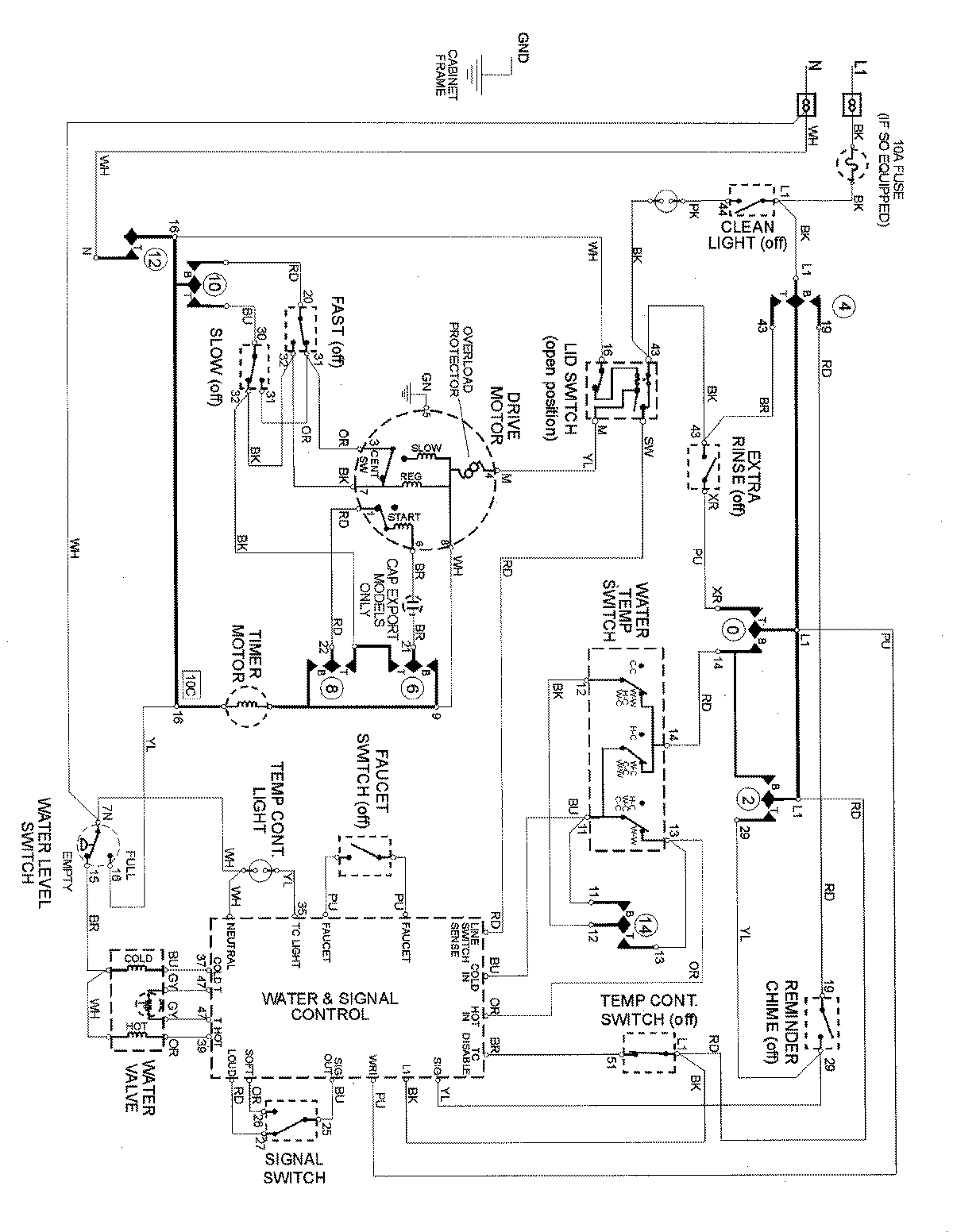
MAV8500AWQ 04 – WIRING INFORMATION

MAV8500AWQ 04 – WIRING INFORMATION

Products

PositionProduct
NIMAY 15002682