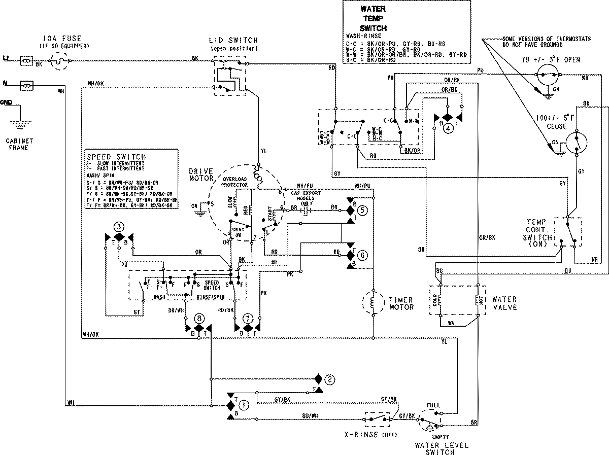
MAV8551AWQ 11 – WIRING INFORMATIONadmin2025-04-26T13:04:00+00:00MAV8551AWQ 11 – WIRING INFORMATION ProductsPositionProductNIMAY 15003847