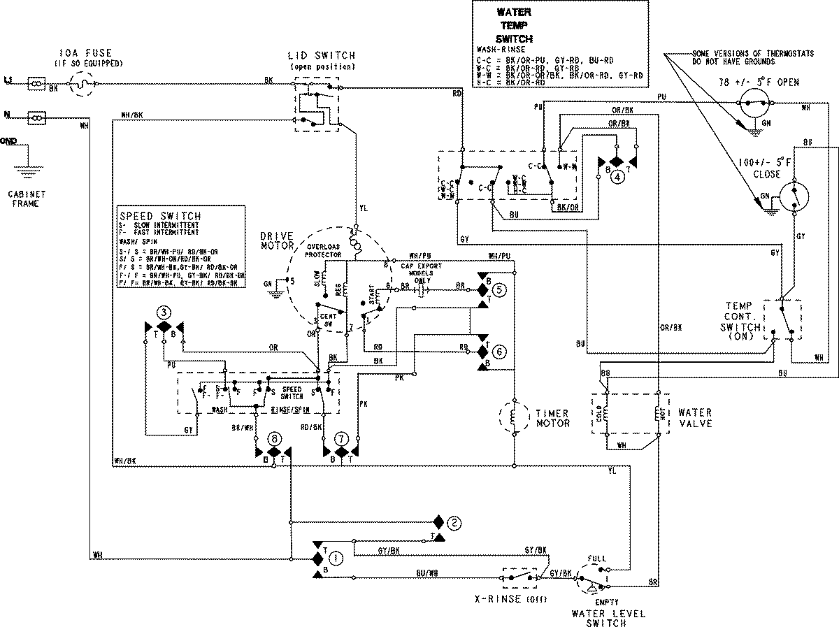
MAV8551AWW 11 – WIRING INFORMATIONadmin2025-04-26T13:06:18+00:00MAV8551AWW 11 – WIRING INFORMATION ProductsPositionProductNIMAY 15003847