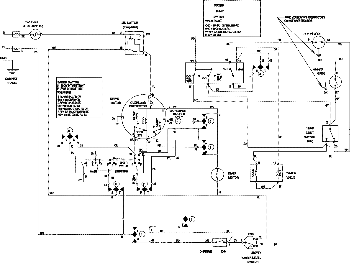
MAV8557AWQ 09 – WIRING INFORMATIONadmin2025-04-26T13:06:34+00:00MAV8557AWQ 09 – WIRING INFORMATION ProductsPositionProductNIMAY 15003606