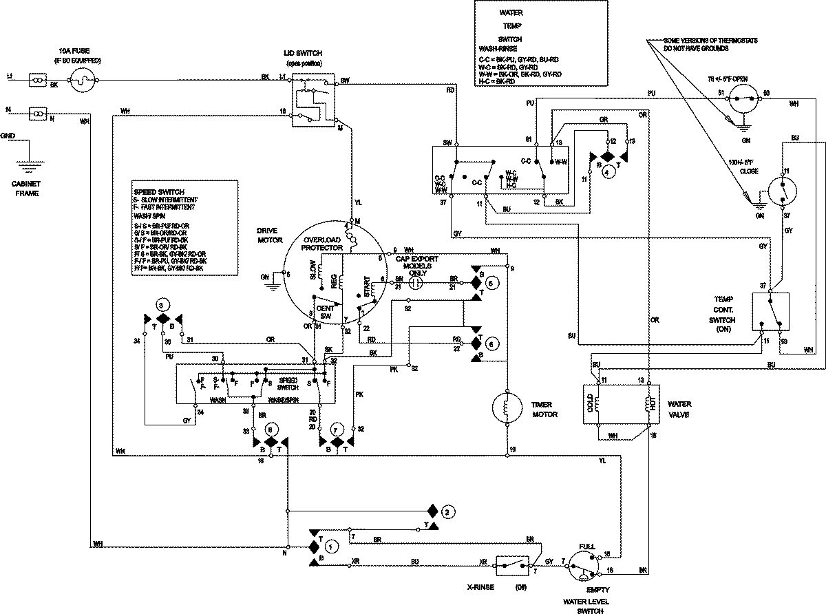
MAV8557AWW 09 – WIRING INFORMATIONadmin2025-04-26T13:07:29+00:00MAV8557AWW 09 – WIRING INFORMATION ProductsPositionProductNIMAY 15003606