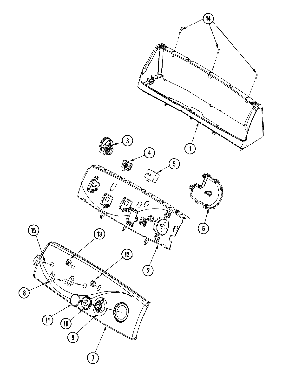
MAV8601AWQ 03 – CONTROL PANELadmin2025-04-26T13:05:34+00:00MAV8601AWQ 03 – CONTROL PANEL ProductsPositionProduct1MAY 220039752MAY 220039553MAY 220042003MAY 220039645MAY 220039946WP3400065 Whirlpool Refrigerator Screw6MAY 220043096MAY 220040107MAY 220040288WP22003987 Whirlpool Knob Control9MAY 2200395410MAY 2200395211WP22003989 Whirlpool Insert Assembly127403P984-60 Whirlpool RO Switch13MAY 22004003148534058 Whirlpool Refrigerator Screw15MAY 22004050