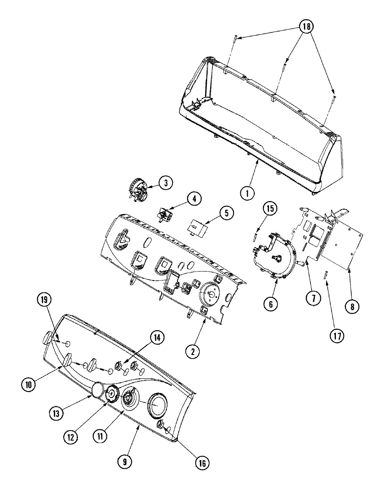
MAV9501EWQ 03 – CONTROL PANELadmin2025-04-26T13:08:08+00:00MAV9501EWQ 03 – CONTROL PANEL ProductsPositionProduct1MAY 220039752MAY 220039553WP22004072 Whirlpool Infinite Switch4MAY 220042664MAY 220039615MAY 220039946MAY 220040737MAY 220039838MAY 220041069MAY 2200407510WP22003987 Whirlpool Knob Control11MAY 2200395412MAY 2200395213WP22003989 Whirlpool Insert Assembly15WP3400065 Whirlpool Refrigerator Screw16MAY 2200398217MAY 911266188534058 Whirlpool Refrigerator Screw