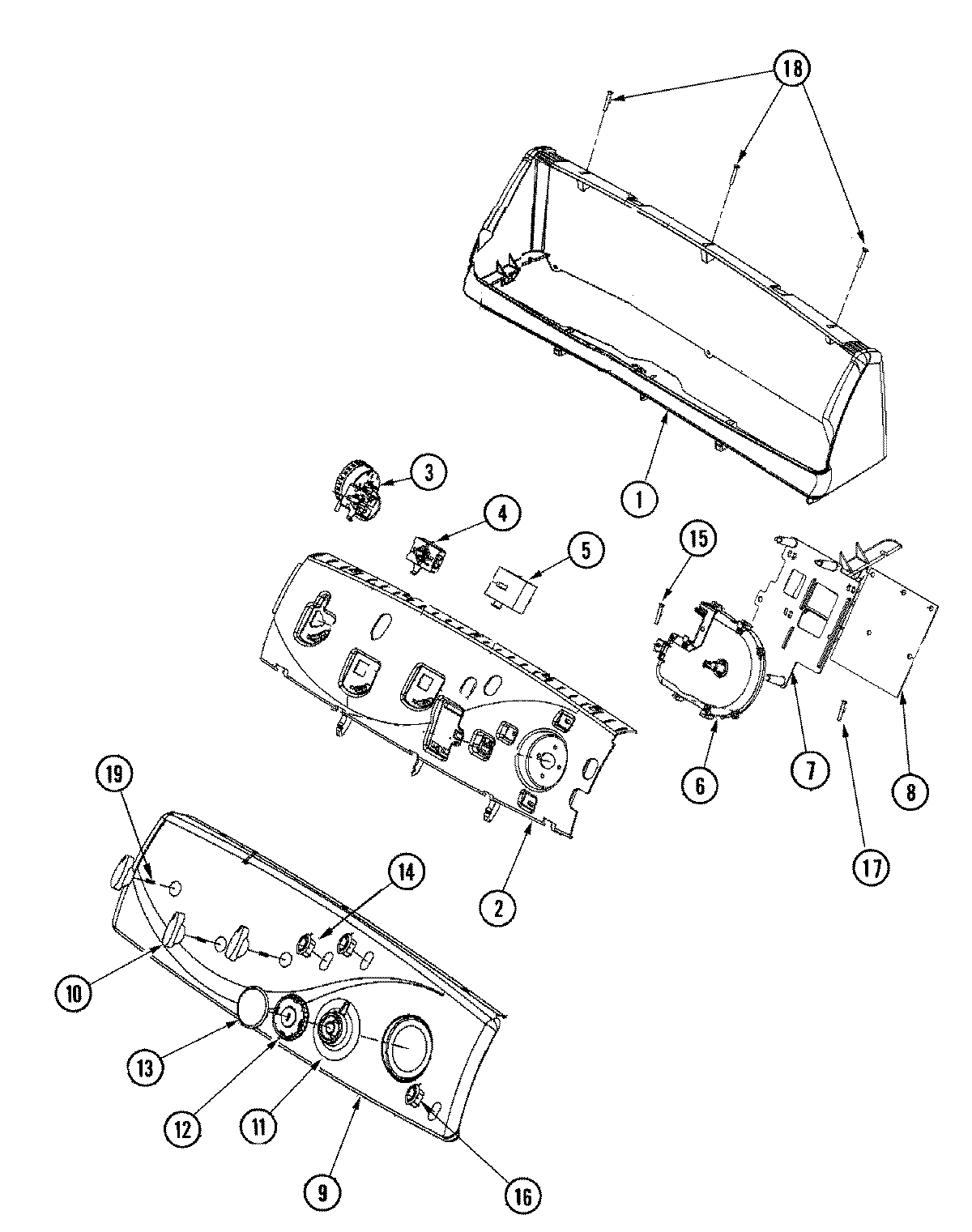
MAV9557EWQ 03 – CONTROL PANELadmin2025-04-26T13:05:10+00:00MAV9557EWQ 03 – CONTROL PANEL ProductsPositionProduct1MAY 220039752MAY 220039553WP22004072 Whirlpool Infinite Switch4MAY 220039614MAY 220042665MAY 220042016MAY 220040737MAY 220039838MAY 220042658MAY 220041069MAY 2200421110WP22003987 Whirlpool Knob Control11MAY 2200416612MAY 2200395213WP22003989 Whirlpool Insert Assembly147403P984-60 Whirlpool RO Switch15WP3400065 Whirlpool Refrigerator Screw16MAY 2200398217MAY 911266188534058 Whirlpool Refrigerator Screw