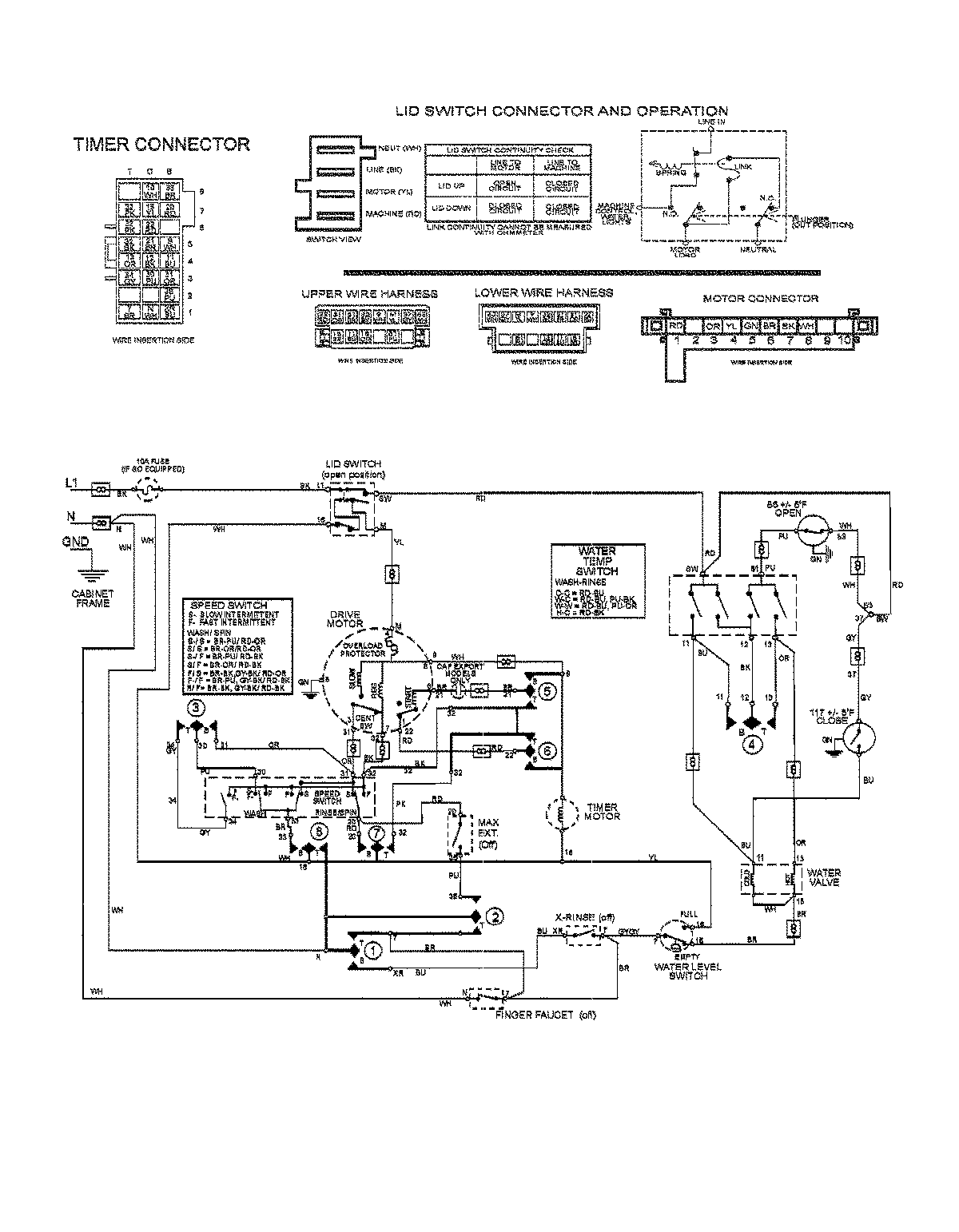
MAV9557EWQ 09 – WIRING INFORMATIONadmin2025-04-26T13:05:40+00:00MAV9557EWQ 09 – WIRING INFORMATION ProductsPositionProductNIMAY 15003463