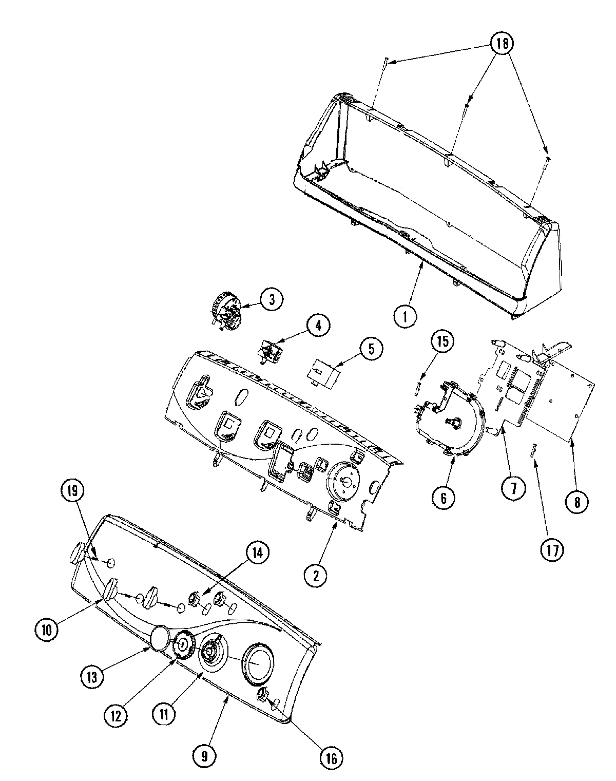
MAV9557EWW 03 – CONTROL PANEL