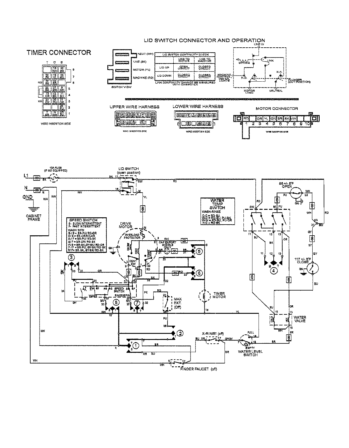
MAV9557EWW 09 – WIRING INFORMATIONadmin2025-04-26T13:05:25+00:00MAV9557EWW 09 – WIRING INFORMATION ProductsPositionProductNIMAY 15003463