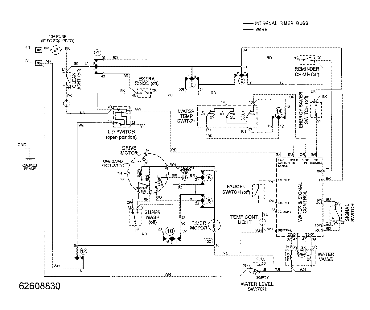
MAV9600EWQ 07 – WIRING INFORMATIONadmin2025-04-26T13:05:36+00:00MAV9600EWQ 07 – WIRING INFORMATION ProductsPositionProductNIMAY 15002753