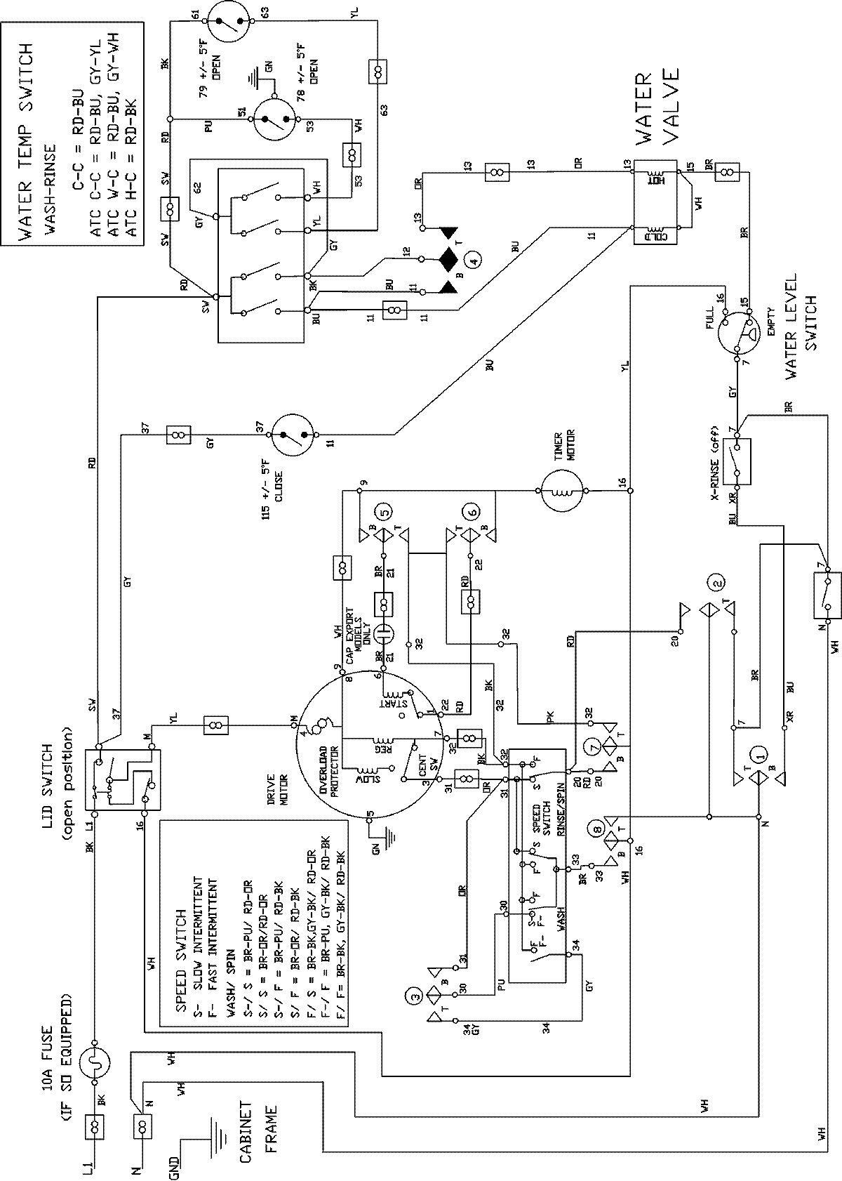
MAV9657EWW 07 – WIRING INFORMATIONadmin2025-04-26T13:05:44+00:00MAV9657EWW 07 – WIRING INFORMATION ProductsPositionProductNIMAY 15003499