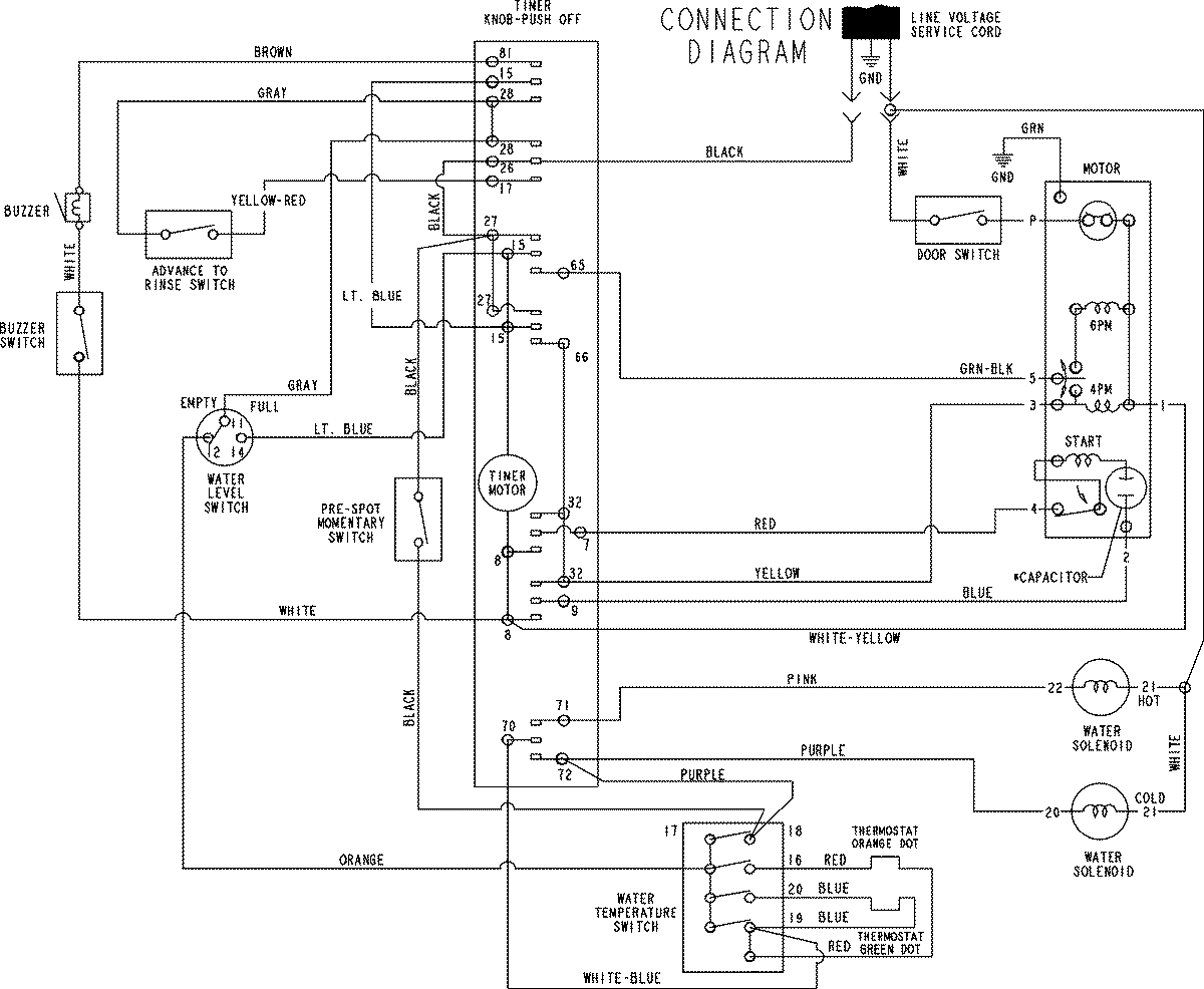
MAVT346AWW 07 – WIRING INFORMATIONadmin2025-04-26T13:03:49+00:00MAVT346AWW 07 – WIRING INFORMATION ProductsPositionProductNIMAY 15003790