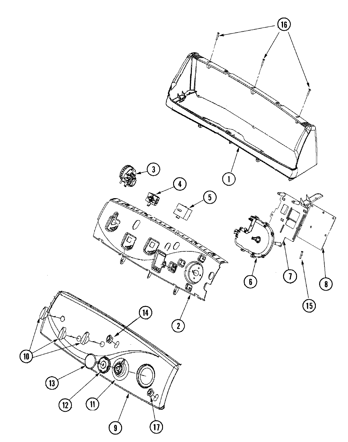
MAVT734EWW 03 – CONTROL PANELadmin2025-04-26T13:04:31+00:00MAVT734EWW 03 – CONTROL PANEL ProductsPositionProduct1MAY 220039602MAY 220039553MAY 220040694MAY 220042664MAY 220039615MAY 220040046MAY 220040707MAY 220039838MAY 220041069MAY 2200417310WP22003987 Whirlpool Knob Control11MAY 2200395312WP22003993 Whirlpool Timer Knob13WP22003989 Whirlpool Insert Assembly14WP74010226 Whirlpool RO Switch15WP3400065 Whirlpool Refrigerator Screw168534058 Whirlpool Refrigerator Screw17MAY 22003981