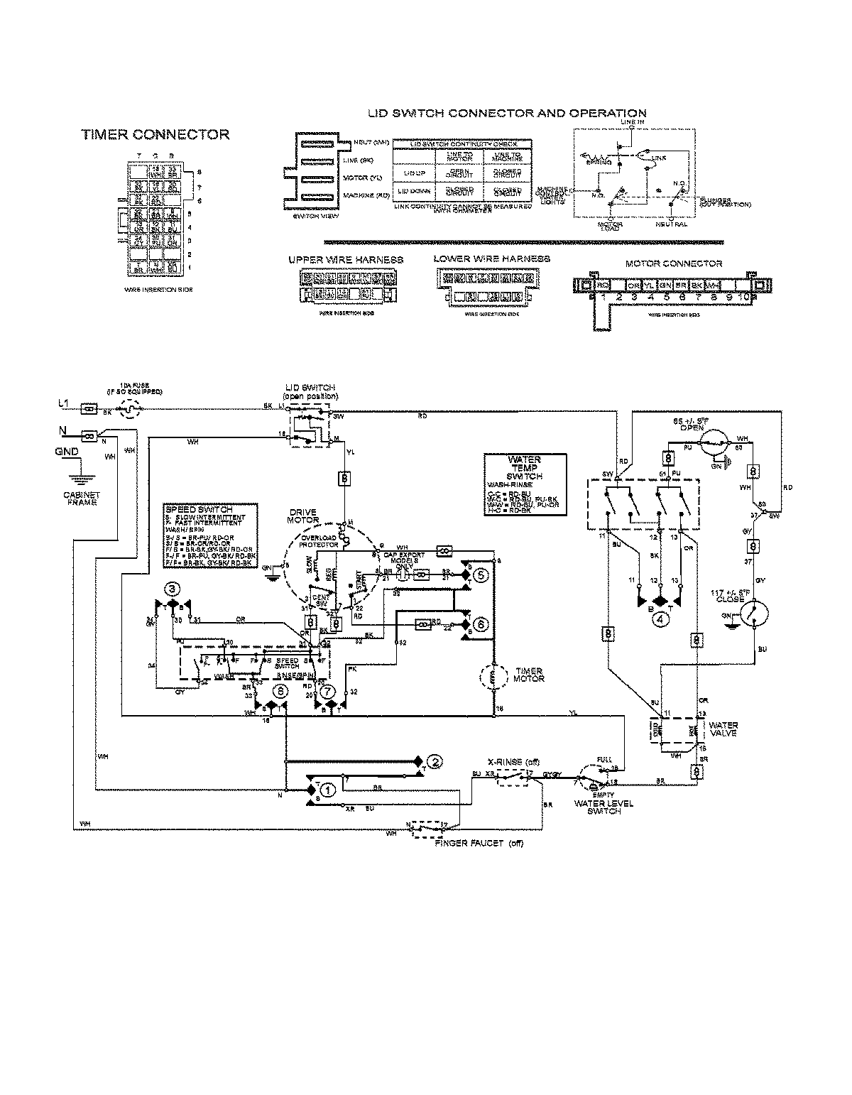
MAVT734EWW 09 – WIRING INFORMATIONadmin2025-04-26T13:06:46+00:00MAVT734EWW 09 – WIRING INFORMATION ProductsPositionProductNIMAY 15003462