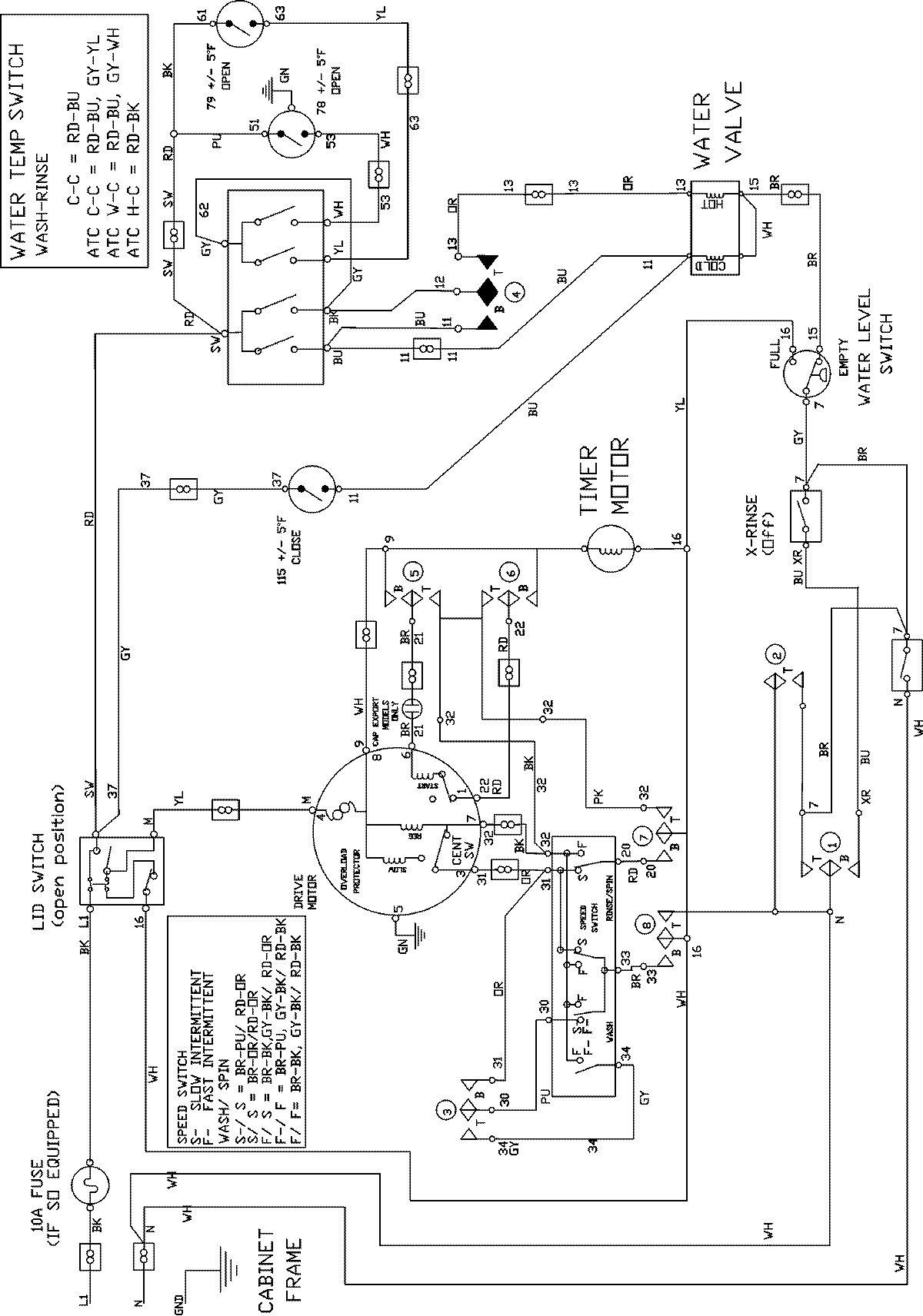
MAVT754EWW 07 – WIRING INFORMATION

MAVT754EWW 07 – WIRING INFORMATION

Products

PositionProduct
NIMAY 15003500