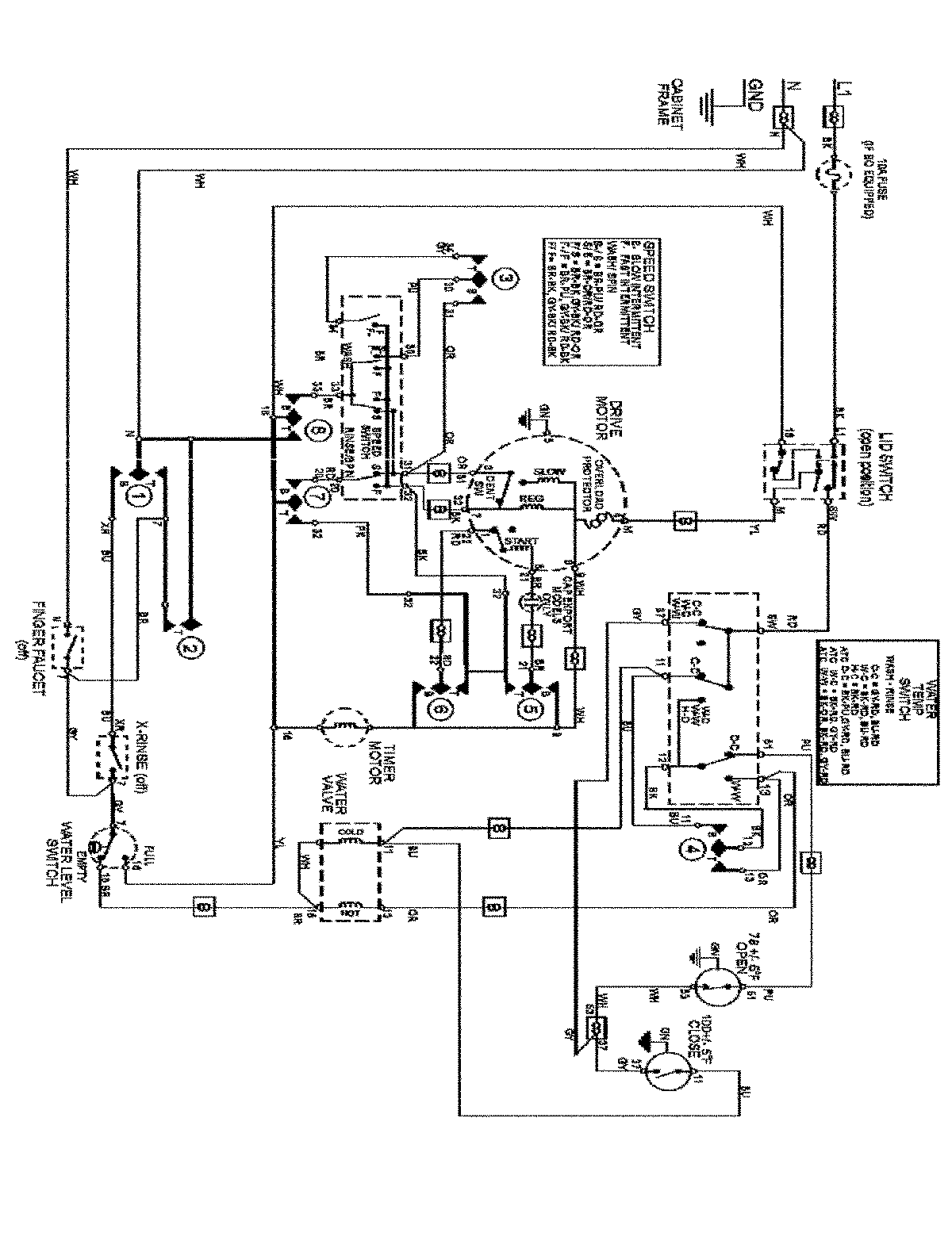
MAVT834AWQ 09 – WIRING INFORMATIONadmin2025-04-26T13:06:24+00:00MAVT834AWQ 09 – WIRING INFORMATION ProductsPositionProductNIMAY 15003444