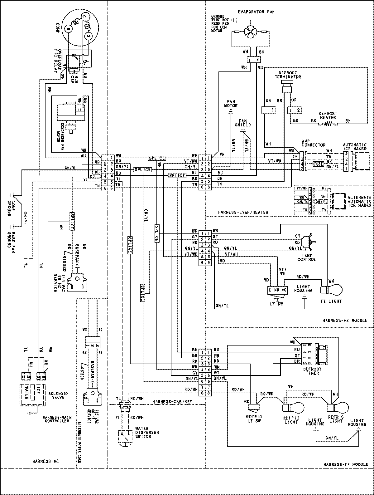
MBB1952HEW 14 – WIRING INFORMATION (SERIES 13)admin2025-04-26T13:09:13+00:00MBB1952HEW 14 – WIRING INFORMATION (SERIES 13) ProductsPositionProduct1MAY 15003953