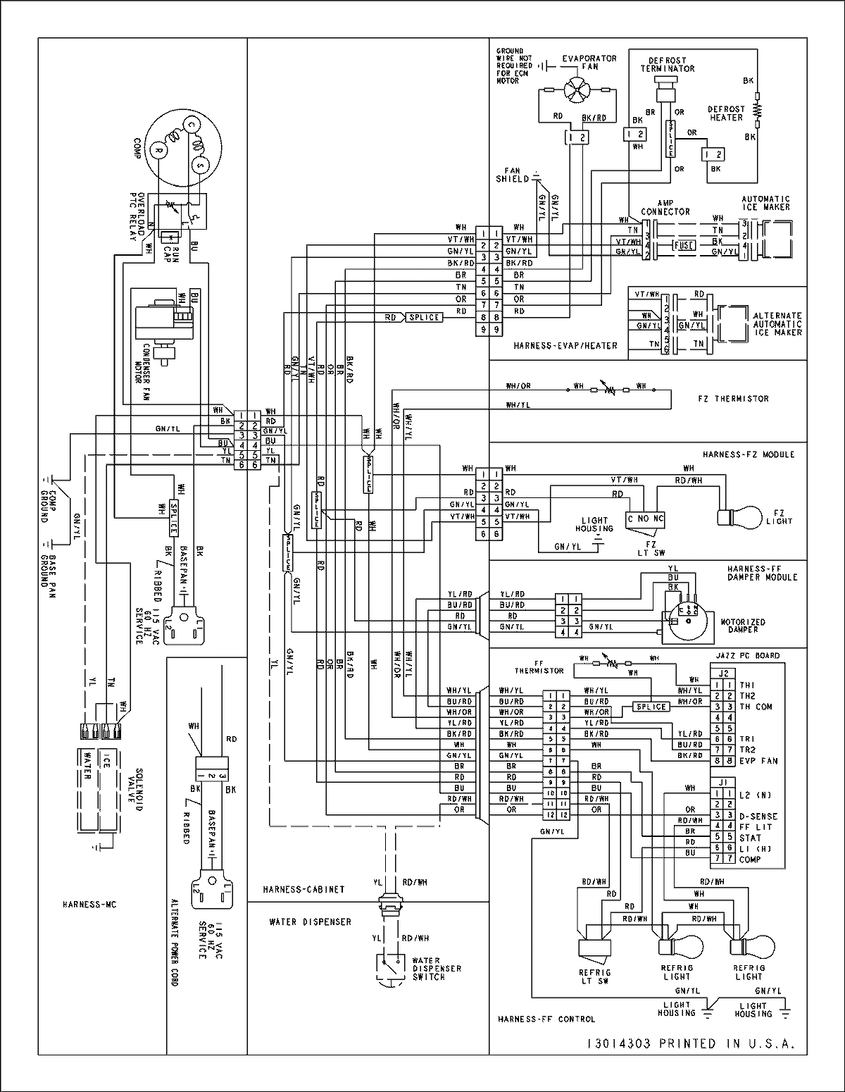
MBF1956KEQ 12 – WIRING INFORMATIONadmin2025-04-26T13:06:49+00:00MBF1956KEQ 12 – WIRING INFORMATION ProductsPositionProductNIMAY 15003918