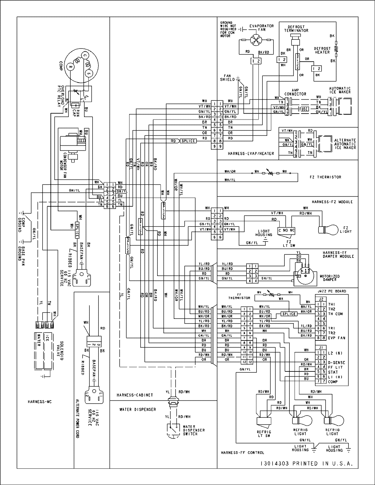
MBF2256KEW 12 – WIRING INFORMATIONadmin2025-04-26T13:07:30+00:00MBF2256KEW 12 – WIRING INFORMATION ProductsPositionProductNIMAY 15003918