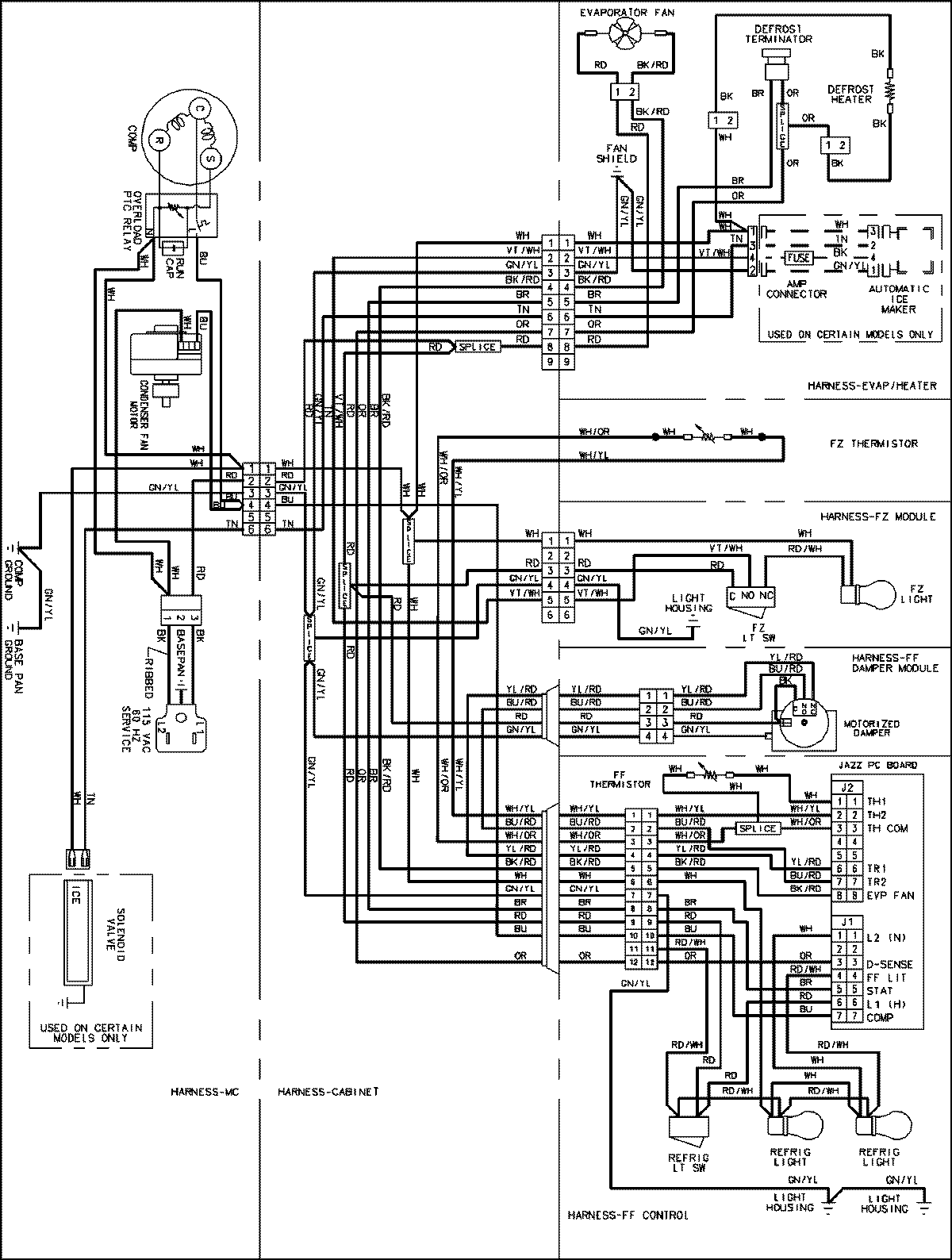
MBF2258HEQ 13 – WIRING INFORMATIONadmin2025-04-26T13:09:26+00:00MBF2258HEQ 13 – WIRING INFORMATION ProductsPositionProductNIMAY 15003510