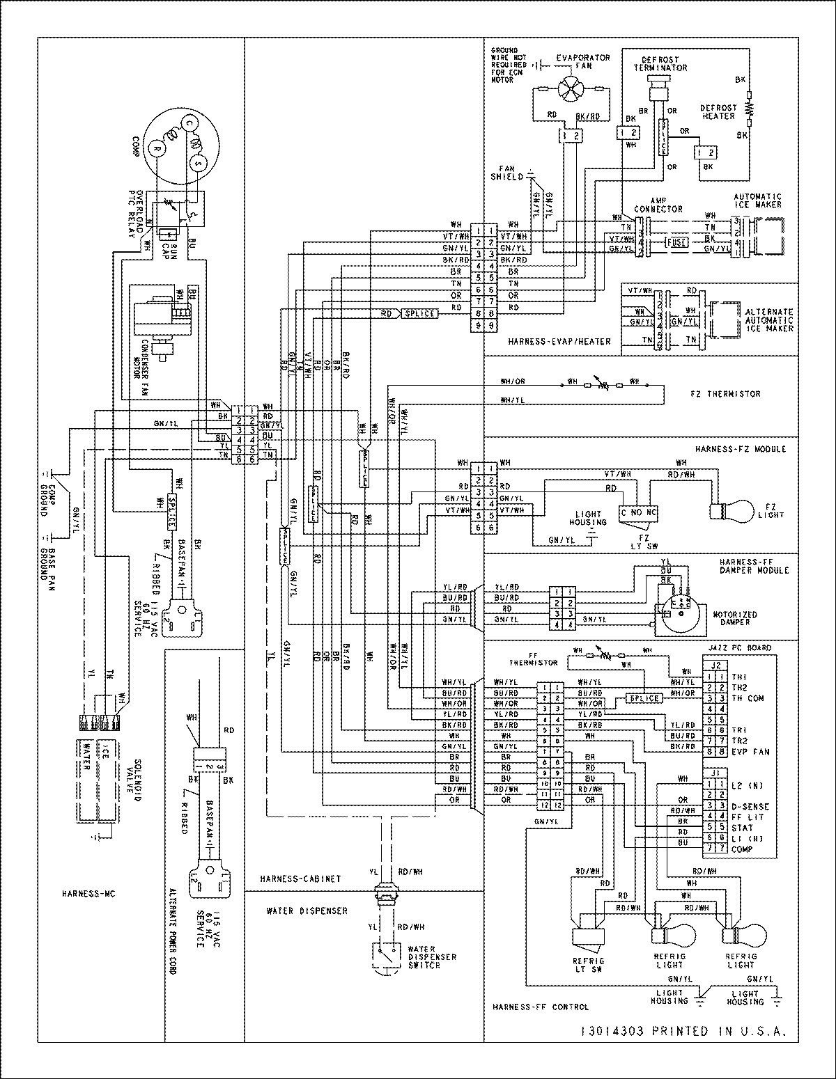
MBF2556KEB 12 – WIRING INFORMATIONadmin2025-04-26T13:08:44+00:00MBF2556KEB 12 – WIRING INFORMATION ProductsPositionProductNIMAY 15003918