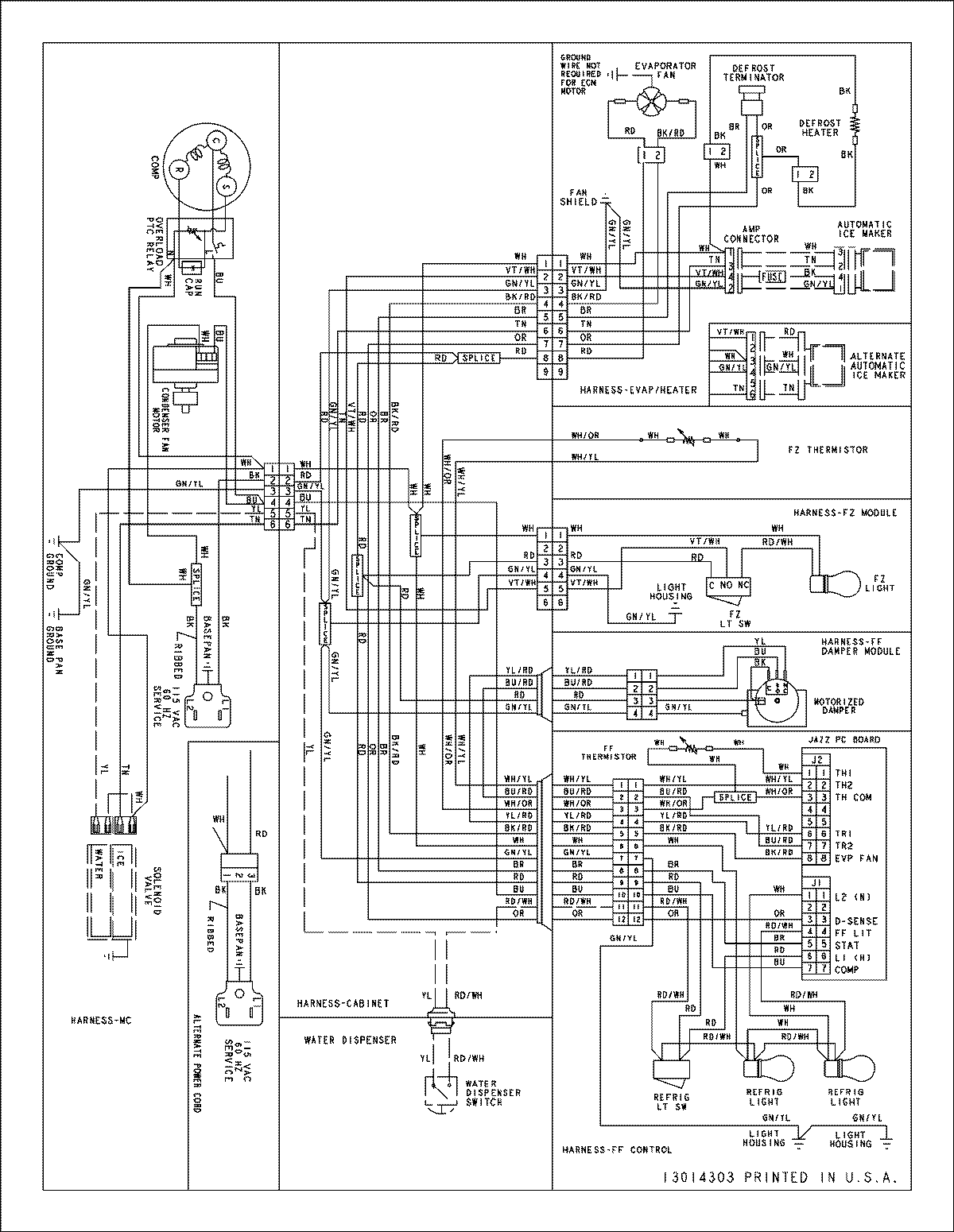
MBF2556KEW 12 – WIRING INFORMATION

MBF2556KEW 12 – WIRING INFORMATION

Products

PositionProduct
NIMAY 15003918